Aktyw Forum
Zarejestruj się na forum.ep.com.pl i zgłoś swój akces do Aktywu Forum. Jeśli jesteś już zarejestrowany wystarczy, że się zalogujesz.
Sprawdź punkty Zarejestruj sięProstownik do ładowania akumulatora somochodowego.
Moderatorzy:Jacek Bogusz, Moderatorzy
Witam czy ktoś z was podłączał do kitu avt1007 transformator ja chciałbym urzyć tego do regulacji pradu ładowania akumulatora.Czytałem o tym i wszyscy tego odradzali co myslicie na ten temat. 
Hey
I wszyscy odradzacze mieli rację. Trafo na tym nie pójdzie, gdyby to było takie proste to już dawno by tak robiono. Reg. tyrystorem / triakiem można ale po stronie wtórnej. Pytanie natury ogólnej. Po co Ci regulacja prądu ? Są setki takich przykładowych rozwiązań, ludzie składają je z mozołem ale - PO CO ? Co to ma dać ? Rozumiałbym sens takiej reg. gdyby znać dokładnie stopień rozładowania i czas jaki przeznaczymy na naładowanie. Ale znane jest tylko jedno - pojemność max a NIGDY nie wiadomo jak bardzo jest dane accu rozładowane. Czy 80 czy na 95%.
Znając to byłby sens reg. prądu:
np. 45Ah / rozładowany w 90% / trzeba mu dostarczyć 40,5Ah / przez np. 10h = ustawiamy prąd 4A i śpimy spokojnie. A gdy 6h to 6,75A ect.
Ale takie obliczenia i tak są obarczone b.dużym błędem bo nie uwzględniają sprawności, stanu danego accu, temp. w jakiej będzie ładowany ect.
Jak się ładuje to chodzi tylko i tylko o jedno - by je naładować na full. A o tym stanie dają info tylko i tylko oznaki pełnego naładowania: gazowanie i U na klemach.
I wszyscy odradzacze mieli rację. Trafo na tym nie pójdzie, gdyby to było takie proste to już dawno by tak robiono. Reg. tyrystorem / triakiem można ale po stronie wtórnej. Pytanie natury ogólnej. Po co Ci regulacja prądu ? Są setki takich przykładowych rozwiązań, ludzie składają je z mozołem ale - PO CO ? Co to ma dać ? Rozumiałbym sens takiej reg. gdyby znać dokładnie stopień rozładowania i czas jaki przeznaczymy na naładowanie. Ale znane jest tylko jedno - pojemność max a NIGDY nie wiadomo jak bardzo jest dane accu rozładowane. Czy 80 czy na 95%.
Znając to byłby sens reg. prądu:
np. 45Ah / rozładowany w 90% / trzeba mu dostarczyć 40,5Ah / przez np. 10h = ustawiamy prąd 4A i śpimy spokojnie. A gdy 6h to 6,75A ect.
Ale takie obliczenia i tak są obarczone b.dużym błędem bo nie uwzględniają sprawności, stanu danego accu, temp. w jakiej będzie ładowany ect.
Jak się ładuje to chodzi tylko i tylko o jedno - by je naładować na full. A o tym stanie dają info tylko i tylko oznaki pełnego naładowania: gazowanie i U na klemach.
Ostatnio zmieniony 6 lis 2010, o 07:25 przez Xweldog, łącznie zmieniany 1 raz.
-
janek11389
- -

- Posty:682
- Rejestracja:5 cze 2004, o 10:57
Witam! Ja to podłączyłem, bardzo dobry i sprawny układ, tylko jako że trafo dla trata jest indukcją, to równolegle z trafem na uzwojeniu pierwotnym musisz wstawić żarówkę, bo bez niej układ nie zaskakuje. Wykorzystałem to do matki, do odpalania samochodów, trafo miało 2,5kW. Możesz to wykorzystać do sterowania trafem jako prostownik, ale regulacja będzie napięciowa, dla prądu musisz sobie wstawić jakiś ogranicznik, lub amperomierz i ze wzrostem naładowania, podnosić napięcie.
Pozdrawiam
Pozdrawiam
Czasami najprostsze rozwiązania bywają genialne w swojej prostocie. Widziałem radziecki prostownik w którym stabilizacja prądu ładowania załatwiona była za pomocą żarówki włączonej szeregowo z pierwotnym uzwojeniem transformatora sieciowego. Rozwiązanie to opublikowało później w 1986r WKŁ w książce pt. "24 proste układy do samodzielnego wykonania dla domu" M.W Nowakowskich. (Tutaj fotografia okładki)
Taka odpowiedz mie interesuje to kolega mówi że jego trafo miało 2.5kW ja podłączałem do avt1007 mały transformatorek który miał 40VA i działa bez zarzutu ale nie wiedziałem jak to by działało przy większych mocach.A w odniesieniu do innych odpowiedzi do silników indukcyjnych podobno też sie to nie nadaje , a u mie steruje dmuchawą pieca i jakoś działa.Witam! Ja to podłączyłem, bardzo dobry i sprawny układ, tylko jako że trafo dla trata jest indukcją, to równolegle z trafem na uzwojeniu pierwotnym musisz wstawić żarówkę, bo bez niej układ nie zaskakuje. Wykorzystałem to do matki, do odpalania samochodów, trafo miało 2,5kW. Możesz to wykorzystać do sterowania trafem jako prostownik, ale regulacja będzie napięciowa, dla prądu musisz sobie wstawić jakiś ogranicznik, lub amperomierz i ze wzrostem naładowania, podnosić napięcie.
Pozdrawiam
Sprawdzaj w dłuższym czasie. Też z początku byłem b.zadowolony, Uwy regulowałem tak, jak chciałem. Ale zostawiłem w jakimś tam położeniu na dłużej a gdy po kilku minutach wróciłem do pokoju, czuć było charakterystyczny swąd a trafo było gorące.
Reg. prądu robi się choćby dlatego dlatego, że jest o wiele prostsza. Uzasadniona jest też gdy tą samą ładowarką chcemy bezpiecznie ładować np. accu o małych pojemnościach od motorynek czy tp. i o dużych. Trochę trudniej jest zrobić kończącą ładowanie wtedy gdy dane accu osiągnęło full. Dlatego powtarzam pytanie - czy chcesz zrobić szybką ładowarkę do pełna czy regulację prądu ładowania. Bo to są dwie różne kwestie.
Reg. prądu robi się choćby dlatego dlatego, że jest o wiele prostsza. Uzasadniona jest też gdy tą samą ładowarką chcemy bezpiecznie ładować np. accu o małych pojemnościach od motorynek czy tp. i o dużych. Trochę trudniej jest zrobić kończącą ładowanie wtedy gdy dane accu osiągnęło full. Dlatego powtarzam pytanie - czy chcesz zrobić szybką ładowarkę do pełna czy regulację prądu ładowania. Bo to są dwie różne kwestie.
-
janek11389
- -

- Posty:682
- Rejestracja:5 cze 2004, o 10:57
Sprawdź swoje w całym zakresie i pod obciążeniem.
Zgadza się, żeby działało w całym zakresie, musisz układ obciążyć dodatkowo żarówką, żeby wy eliminować zjawisko indukcyjności, bez żarówki, nie da się regulować w całym zakresie, dochodzi do wyłączenia układu. Tylko musisz wziąć pod uwagę że prostownik nie potrzebuje regulacji od zera i w zasadzie pracuje on na obciążeniu, a nie na biegu jałowym. Do wyższych celów służą zasilacze z płynną regulacją napięcia i z prądową stabilizacją, ale związane jest to z dodatkowymi stratami na ciepło.
Chcąc uniknąć strat, to najkorzystniejszym rozwiązaniem były by doczepy, po stronie wtórnej, lub pierwotnej. Jeżeli autorowi chodzi tylko o regulację napięcia, co automatycznie wiąże się z regulacja prądu, to nie ma większego problemu, taki układ zda egzamin, ale jeżeli autorowi chodziło by o stabilizację prądu, to w tym momencie musi podejść dodatkowo z odpowiednim układem elektronicznym. Jeżeli ma to być tylko prostownik do akumulatora samochodowego, to może wystarczą proste i sprawdzone układy, wpisz w googlach prostownik Lelek, proste sprawdzone i skuteczne. Tu znajdziesz kilka prostowników.
http://chomikuj.pl/shido5/Elektronika/P ... 29053.djvu
Pozdrawiam
Przed laty dorobiłem się zasilacza stabilizowanego w solidnej obudowie z tylną ścianką z jednego kawałka radiatora z mocowaniami na 2szt 2N3055. Oryginalnie miał 3 zakresy Uwy: od 0 do 12V / 12-24 i 24-36. Co kilka lat napada mnie na jego usprawnianie. Dałem dużo większe trafo (nb. wcześniej użyte w mej ładowarce accu ), w radiatorze dowierciłem otwory pod 2 następne tr. mocy i teraz mam zakresy 0-15 / 15-30 i 30-45V. W niższych chodzi jako dwupołówkowy i wyciągam do 20A, w wyższych zakresach przechodzę na Graetza z 2razy mniejszym prądem. Ale, przy Uwy zwłaszcza poniżej 5V z 20A mogę ciągnąć góra przez kilka minut gdyż radiator radiatorem ale b.się nagrzewają tranzystory szeregowe. Dlatego próbowałem zmniejszyć straty przez obniżanie triakiem 230V. Nie wydało.
Także, w mym zastosowaniu odpada dokładanie żarówek czy tp.
Także, w mym zastosowaniu odpada dokładanie żarówek czy tp.
Ostatnio zmieniony 7 lis 2010, o 17:18 przez Xweldog, łącznie zmieniany 1 raz.
-
janek11389
- -

- Posty:682
- Rejestracja:5 cze 2004, o 10:57
W lepszych konstrukcjach problem ten rozwiązuje się poprzez przełączanie oczepów na wtórnym uzwojeniu. Ja swój robiony zasilacz wytransportowałem do pływnicy, bo zachciało mi się coś ładniejszego i sprawiłem sobie taki: http://www.szmatrix.com/English/product ... 10L-2.htmlzwłaszcza poniżej 5V z 20A mogę ciągnąć góra przez kilka minut gdyż radiator radiatorem ale b.się nagrzewają tranzystory szeregowe. Dlatego próbowałem zmniejszyć straty przez obniżanie triakiem 230V. Nie wydało.
W nim automatycznie po przekroczeniu jakiegoś progu napięcia uzwojenia przełączają się same, za pomocą przekaźników, ewidentnie to słychać, chyba zaczyna się od sześciu wolt, potem 12, 18, 24. Ładny jest, stabilizacje działają super, jak zadasz mu jakikolwiek prąd to stoi jak drut, po przekroczeniu prądu nadal stoi, tylko zaświeca się czerwona dioda, że obciążenie chciało by jeszcze więcej. Ale denerwuje mnie szum wentylatorów, dwa wentylatory, dość głośno chodzą. Zaletą znowu jest to, że można obydwa napięcia łączyć szeregowo, a prądy równolegle, za pomocą jednego przycisku, nie trzeba nic przepinać, to się faktycznie przydaje, po wciśnięciu, od razu masz 60V i 10A, albo 30V i 20A, albo symetryczne, po przyciśnięciu następnego przycisku i regulacja napięciowa odbywa się tylko jedna gałą i symetrycznie się obniża lub zwiększa, albo można oddzielnie, takie bajery, ale przydatne to na co dzień.
A czy częstotliwość się wtedy nie zmieni? to bardzo ważny parametr dla poprawnej pracy trafa. A spróbuj żarówkę tej samej mocy co trafo połączyć w szereg z uzwojeniem pierwotnym, napięcie spadnie o połowę, ale częstotliwość zostanie. A może zamiast tylu kombinacji, dobrze byłoby rozebrać to trafo i porobić doczepy na wtórnym, wtedy było by już bardzo fachowo, ostatecznie to robisz dla siebie, a nie na sprzedaż.na wejście trafa podawać tylko co drugie pary połówek 230VAC. Zobaczę co z tego wyjdzie.
Miałem trafo dające m/w 2x18VAC namotane podwójnym drutem 2,5mm. Rozebranie i przewinięcie nie bardzo wchodzi w grę, poprzestałem na automatycznym przełączniku ( nie na przekaźnikach tylko na MOS-ach ) dwupołówkowe / Graetz. W Graetzu diody DS MOS-ów robią za drugą gałąź diodową. Nawet gdybym przewinął i porobił odczepy, to musiałbym istniejący przełącznik zamienić jakimś podwójnym, silno-prądowym czy tp. A na to nie mam miejsca.
Ostatnio zmieniony 7 lis 2010, o 17:19 przez Xweldog, łącznie zmieniany 1 raz.
-
janek11389
- -

- Posty:682
- Rejestracja:5 cze 2004, o 10:57
-
janek11389
- -

- Posty:682
- Rejestracja:5 cze 2004, o 10:57
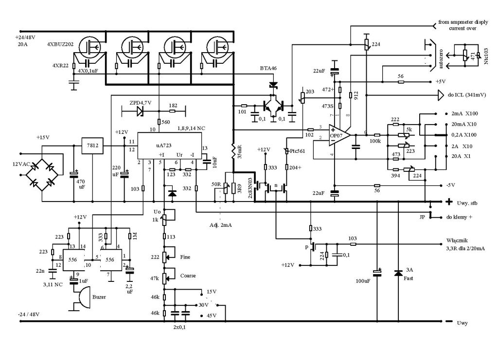
Janek 11389, myślałem, że chodzi Ci o te experymenty z triakiem. Masz część główną schematu ale obawiam się, że:
- w temacie ładowarki accu trafi do kosza jako offtopic
- bez opisu wątpię, czy ktoś się połapie i skorzysta.
PS.
Po wstawieniu w/w doczytałem się Twego dość agresywnego stwierdzenia. Informuję, że nie policzę, ile zaprojektowałem zasilaczy, ile zrobiłem lewych prac dyplomowych, ile przeszło przez me ręce. W swej "samoróbie" uwzględniłem praktycznie wszystkie niedomagania i usunąłem ułomności fabrycznych "za kafla" ect.
- w temacie ładowarki accu trafi do kosza jako offtopic
- bez opisu wątpię, czy ktoś się połapie i skorzysta.
PS.
Po wstawieniu w/w doczytałem się Twego dość agresywnego stwierdzenia. Informuję, że nie policzę, ile zaprojektowałem zasilaczy, ile zrobiłem lewych prac dyplomowych, ile przeszło przez me ręce. W swej "samoróbie" uwzględniłem praktycznie wszystkie niedomagania i usunąłem ułomności fabrycznych "za kafla" ect.
Ostatnio zmieniony 7 lis 2010, o 22:01 przez Xweldog, łącznie zmieniany 1 raz.
-
janek11389
- -

- Posty:682
- Rejestracja:5 cze 2004, o 10:57
Faktycznie przerost nad formą. Ta kość to starsze rozwiązania, dla tego regulacja i stabilizacja prądowa potrzebuje dodatkowej kości i dodatkowego wzmacniacza różnicowego. Taką kością typowo dla zasilaczy jest kość LM324 ma w sobie już wszystko czego potrzebuje zasilacz, co automatycznie staje się konstrukcyjnie prostsze. Dodatkową nie wy godnością twojego zasilacza jest osobne zasilanie samej kości. Dla tych co by chcieli skorzystać z prostszej i sprawdzonej konstrukcji, to wrzucę schemat i płytkę, rysunek w autokodzie. W prawdzie to 3A, ale po dorzuceniu kodeków i zmniejszeniu wartości opornika szeregowego, prąd będzie znacznie większy. Stabilizacja napięciowa i prądowa.
Drugi zasilacz to sprawdzona konstrukcja 20A 13,5V z kolektorami na obudowie, czyli na minusie, co automatycznie eliminuje mikę, jest to wygodniejsze do montażu i chłodzenie jest o wiele lepsze. Zabezpieczenie jest ustawione na 13,6V, po przekroczeniu tego progu, obciążenie automatycznie zostaje odłączone od źródła zasilania. Zasilacz świetnie nadaje się do radiostacji dużej mocy. Po ustawieniu odpowiedniego prądu, dla danego typu akumulatora, może to służyć jako prostownik o stałym prądzie ładowania, a układ przepięciowy po odpowiednim ustawieniu, odłączy naładowany akumulator od prostownika, lub całkowicie odłączy go od sieci, to wszystko zależy które uzwojenie przepuści się przez przekaźnik.
Drugi zasilacz to sprawdzona konstrukcja 20A 13,5V z kolektorami na obudowie, czyli na minusie, co automatycznie eliminuje mikę, jest to wygodniejsze do montażu i chłodzenie jest o wiele lepsze. Zabezpieczenie jest ustawione na 13,6V, po przekroczeniu tego progu, obciążenie automatycznie zostaje odłączone od źródła zasilania. Zasilacz świetnie nadaje się do radiostacji dużej mocy. Po ustawieniu odpowiedniego prądu, dla danego typu akumulatora, może to służyć jako prostownik o stałym prądzie ładowania, a układ przepięciowy po odpowiednim ustawieniu, odłączy naładowany akumulator od prostownika, lub całkowicie odłączy go od sieci, to wszystko zależy które uzwojenie przepuści się przez przekaźnik.
- Załączniki
-
- Zasilacz 35A.rar
- (33.54KiB)Pobrany 447 razy
-
- Zasilacz od 0 do 30V.rar
- (30.15KiB)Pobrany 444 razy
Kto jest online
Użytkownicy przeglądający to forum: Obecnie na forum nie ma żadnego zarejestrowanego użytkownika i 73 gości

