Jestem nowy na forum więc się witam!
Najlepiej będzie jeżeli z góry powiem, że nie jestem elektronikiem i pewnie nigdy nim nie będę.
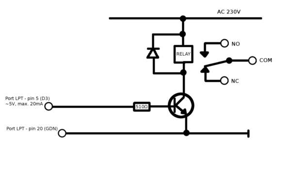
Moim pomysłem było stworzenie czegoś, czym będę poprzez port LPT sterował przepływem prądu. Z softem nie ma najmniejszego problemu, ale gorzej z elektroniką.. Przeszukałem google, elektrodę i jeszcze kilka innych forów i skleciłem coś takiego (na razie tylko schemat):
Ustawiam stan wysoki na przykładowym pinie 5. Następnie tranzystor zamyka obwód 5V, a ten z kolei zamyka obwód 230V przez przekaźnik JRC 19F1. (schemat w załączniku)
Teraz pytanie.. Czy może to tak wyglądać? Pytam, bo trochę szkoda mi komputera w razie niepowodzenia.
Z góry dzięki za odpowiedź,
mmica
Aktyw Forum
Zarejestruj się na forum.ep.com.pl i zgłoś swój akces do Aktywu Forum. Jeśli jesteś już zarejestrowany wystarczy, że się zalogujesz.
Sprawdź punkty Zarejestruj sięSterowanie prądem 230V przez port LPT. Może to tak wyglądać?
Moderatorzy:Jacek Bogusz, Moderatorzy
- Załączniki
-
- Ustawiam stan wysoki na przykładowym pinie 5. Następnie tranzystor zamyka obwód 5V, a ten z kolei zamyka obwód 230V przez przekaźnik JRC 19F1.
- lpt.jpg (9.73KiB)Przejrzano 8631 razy
UWAGA: Nie wiem co chcesz sterować, więc nie wiem jakie mogą być konsekwencje, ale warto byś sprawdził jaki jest stan wyjścia LPT po włączeniu komputera, a przed wywołaniem programu. Czy sterowanie "1' będzie odpowiednie, czy może trzeba by zastosować inwwerter i sterować zerem, tak by nie mieć kłopotów z załączaniem układu w sytuacjach gdy tego nie chcesz.
To może jeszcze jedna sugestia, z dośwaidczenia. W ostatnio robionym układzie sterowałem silnikiem do rolet. Sterowanie polegało na podawaniu napięcia na jedną z cewek silnika. Podanie napięcia na obydwie jednocześnie mogłoby uszkodzić silnik. Dlatego poza zabezpieczeniami w elektronice (wstępna polaryzacja) i programie, dodałem jeszcze zabezpieczenie zapobiegające zasilaniu obydwu cewek silnika jednocześnie wykorzystując drugie pary styków przekażników.
Z góry przepraszam za odświeżanie starego tematu.
Sprawdziłem stan na wyjściu po włączeniu komputera.. zamierzane 0,01V na pinie 9, a więc złożyłem układ i wszystko działała jak powinno (włączanie lampki biurkowej). Niedawno zauważyłem, że nie na każdym pinie (2-9) jest tak samo
, np. pin 8 - od razu stan wysoki, który wyłącza się zaraz po załadowaniu jądra Linuksa. Czyli, jak zaproponował użytkownik ar, muszę sterować zerem, aby uniknąć nieprzyjemnych skutków włączania komputera.. tylko pytanie, co miał na myśli ar, mówiąc o inwerterze do sterowania zerem?
pozdrawiam,
mmica
Sprawdziłem stan na wyjściu po włączeniu komputera.. zamierzane 0,01V na pinie 9, a więc złożyłem układ i wszystko działała jak powinno (włączanie lampki biurkowej). Niedawno zauważyłem, że nie na każdym pinie (2-9) jest tak samo
pozdrawiam,
mmica
- Jacek Bogusz
- -

- Posty:470
- Rejestracja:12 maja 2010, o 17:37
- Lokalizacja:Poznań
- Kontaktowanie:
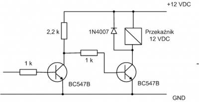
Jest doskonały układ scalony, który rozwiązałby wszystkie Twoje problemy. Nazywa się ULN2803. Ma wbudowane 8 tranzystorów do sterowania np. przekaźnikami i diody zabezpieczające przed przepięciami. Niestety, również w nim podanie "1" powoduje załączenie przekaźnika.
Dlatego przed użytym przez Ciebie tranzystorem musisz dodać jeszcze jeden - będzie on pełnił funkcję inwertera.
Dlatego przed użytym przez Ciebie tranzystorem musisz dodać jeszcze jeden - będzie on pełnił funkcję inwertera.
Kto jest online
Użytkownicy przeglądający to forum: Obecnie na forum nie ma żadnego zarejestrowanego użytkownika i 95 gości

