Aktyw Forum
Zarejestruj się na forum.ep.com.pl i zgłoś swój akces do Aktywu Forum. Jeśli jesteś już zarejestrowany wystarczy, że się zalogujesz.
Sprawdź punkty Zarejestruj sięGenerator VCO pomoc
Moderatorzy:Jacek Bogusz, Moderatorzy
Witam wszystkich. Mam za zadanie zaprojektowanie generatora VCO przebiegu prostokątnego, zakres częstotliwości 1kHz do 100 kHz, wypełnienie 50%, amplituda 1V obciazenie 50 ohm. Moje pytanie wiąże się z tym, czy ktoś kiedykolwiek robił coś podobnego i mógłby mi pomóc lub polecić odpowiednią literaturę. Dziękuję za pomoc.
Na gotowym scalaku, czy na piechotę?
Zobacz jak są zrealizowane typowe scalone generatory funkcyjne, począwszy od wiekowego ICL8038, przez XR2206 do MAX038.
Praktycznie każdy z nich daje możliwość zewnętrznego, napięciowego (lub prądowego) sterowania wewnętrznych źródeł prądowych a tym samym częstotliwości generacji.
ICL8038:
http://pdf.elenota.pl/pdf/Intersil/fn2864.pdf
XR2206:
http://www.iele.polsl.pl/elenota/Exar/xr2206v103.pdf
MAX038:
http://www.iele.polsl.pl/elenota/Maxim/max038.pdf
--
MDz
Zobacz jak są zrealizowane typowe scalone generatory funkcyjne, począwszy od wiekowego ICL8038, przez XR2206 do MAX038.
Praktycznie każdy z nich daje możliwość zewnętrznego, napięciowego (lub prądowego) sterowania wewnętrznych źródeł prądowych a tym samym częstotliwości generacji.
ICL8038:
http://pdf.elenota.pl/pdf/Intersil/fn2864.pdf
XR2206:
http://www.iele.polsl.pl/elenota/Exar/xr2206v103.pdf
MAX038:
http://www.iele.polsl.pl/elenota/Maxim/max038.pdf
--
MDz
- Aleksander Zawada
- Moderator

- Posty:532
- Rejestracja:21 lut 2003, o 12:10
- Lokalizacja:Warszawa
- Kontaktowanie:
Ale wiesz... Nie każdy ma możliwości, żeby sobie taką lampę zmajstrowaćMarku, można jeszcze zrobić to z zastosowaniem lampy reaktancyjnej
(BTW: W jaki sposób uzyskuje się w nich zmianę pojemności?)
Aż tak?A tak bardziej na serio: XR2206 staje się trudno dostępny.
Sam ostatnio upolowałem jedną sztukę.
W TME leży 185 sztuk na magazynie. Za marne 10 złociszy sztuka
Nie lubię go. M.in. za zależność częstotliwości od napięcia zasilania i problematyczną liniowość. Ale za to jest tani. Zawsze to jakaś zaletaPolecam więc raczej CD4046.
--
MDz
- Aleksander Zawada
- Moderator

- Posty:532
- Rejestracja:21 lut 2003, o 12:10
- Lokalizacja:Warszawa
- Kontaktowanie:
Jako lampa reaktancyjna może pracować w zasadzie dowolna trioda (rzadziej używano pentod). Dokładając odpowiedni przesuwnik fazowy lampa taka pracować może zarówno jako zmienna pojemność, jak i indukcyjność
.
Najczęściej stosowano lampy pracujące jako zmienna pojemność. Lampa pracowała w układzie wspólnej katody, między anodę a siatkę włączano pojemność, między katodę a siatkę opornik.
Ważne było, aby reaktancja kondensatora była większa niż oporność w siatce- zapewniało to prawie 90 stopni przesunięcia między napięciem na siatce i anodzie (napięcie na siatce wyprzedza napięcie na anodzie).
Impedancja takiej lampy wynosi 1/S - j(1/wSRC), przy czym S jest nachyleniem charakterystyki lampy. Na nachylenie zaś wpływać można łatwo zmianą napięcia siatki
.
Czasem stosowano przesuwnik nie o 90 stopni, lecz o 180. Wówczas takie układy nazywano układami z pojemnością (lub indukcyjnością) ujemną, malejącą wraz ze wzrostem nachylenia.
Tego typu układ był stosowany szeroko w telewizorach. Wszytkie ametystopodobne miały lampę reaktancyjną w układzie synchronizacji poziomej.
Najczęściej stosowano lampy pracujące jako zmienna pojemność. Lampa pracowała w układzie wspólnej katody, między anodę a siatkę włączano pojemność, między katodę a siatkę opornik.
Ważne było, aby reaktancja kondensatora była większa niż oporność w siatce- zapewniało to prawie 90 stopni przesunięcia między napięciem na siatce i anodzie (napięcie na siatce wyprzedza napięcie na anodzie).
Impedancja takiej lampy wynosi 1/S - j(1/wSRC), przy czym S jest nachyleniem charakterystyki lampy. Na nachylenie zaś wpływać można łatwo zmianą napięcia siatki
Czasem stosowano przesuwnik nie o 90 stopni, lecz o 180. Wówczas takie układy nazywano układami z pojemnością (lub indukcyjnością) ujemną, malejącą wraz ze wzrostem nachylenia.
Tego typu układ był stosowany szeroko w telewizorach. Wszytkie ametystopodobne miały lampę reaktancyjną w układzie synchronizacji poziomej.
Nawet bez CD4046 ? Na tym scalaku i tak zużyjesz trochę innych podzespołów, żeby działało zgodnie z opisem...
Jak bardzo chcesz na piechotkę, to zrób generator prostokąta na wzmacniaczu operacyjnym (polecam dowalenie źródła prądowego, jeżeli chcesz liniową charakterystykę, ale jej zakrzywienie może się podobać (zbliżone jest to do logarytmicznego). Idea jest taka, że zewnętrznym napięciem regulujesz wysokość zębów trójkąta na kondensatorze (poprzez porównanie do tego właśnie napięcia). Jak zobaczysz schemat najprostszego generatora prostokąta na wzmacniaczu operacyjnym, zrozumiesz
Jak bardzo chcesz na piechotkę, to zrób generator prostokąta na wzmacniaczu operacyjnym (polecam dowalenie źródła prądowego, jeżeli chcesz liniową charakterystykę, ale jej zakrzywienie może się podobać (zbliżone jest to do logarytmicznego). Idea jest taka, że zewnętrznym napięciem regulujesz wysokość zębów trójkąta na kondensatorze (poprzez porównanie do tego właśnie napięcia). Jak zobaczysz schemat najprostszego generatora prostokąta na wzmacniaczu operacyjnym, zrozumiesz
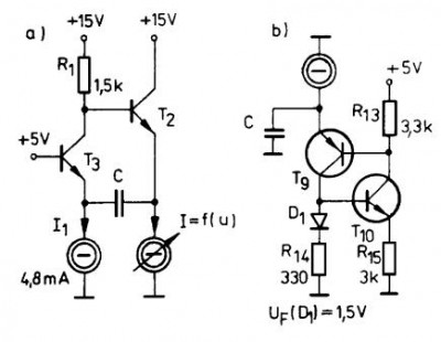
Nie chce za bardzo robić tego na piechotę, ale niestety musze ;/ (wymagania prowadzącego projekt). Znalazłem coś takiego jak na rysunku, nie jest to na wzmacniaczu operacyjnym jak podpowiadał kolega (nie mogłem znaleźć ;/), najgorsze jest to, ze muszę mieć matematyczny dobór wszystkich elementów, a za bardzo nie wiem jak to policzyć.
Kto jest online
Użytkownicy przeglądający to forum: Obecnie na forum nie ma żadnego zarejestrowanego użytkownika i 54 gości

