Aktyw Forum
Zarejestruj się na forum.ep.com.pl i zgłoś swój akces do Aktywu Forum. Jeśli jesteś już zarejestrowany wystarczy, że się zalogujesz.
Sprawdź punkty Zarejestruj sięmam wątpliwości co do schematu
Moderatorzy:Jacek Bogusz, Moderatorzy
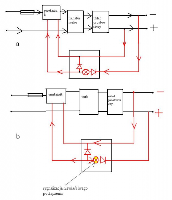
Witam znalazłem stary prostownik i chcę go trochę zmodyfikować (ma służyć do ładowania akumulatorów przy ciągniku) po zmianie trafo na takie aby uzyskać około 5-6 A chciałem też zabezpieczyć przed niewłaściwym podłączeniem i uzyskałem taką sugestie jak na załączniku ale nie wiem czy to wypali (czy sygnalizacja zadziała przy niewłaściwym podłączeniu do akumulatora oraz czy poda sygnał na przekażnik przy prawidłowym podłączeniu) i tu moja prośba o opinie . Oprócz tego chciałbym jeszcze zastosować jakiś kondensator na WY ale nie wiem jaki.
Ostatnio zmieniony 21 kwie 2008, o 10:47 przez maciekc, łącznie zmieniany 2 razy.
Przy duzych prądach warto dać szeregowy dławik na wyjściu,
co do idei to ok, ale realizacja niebardzawa,
wystarczyłaby jedna dioda ktora spolaryzowałaby cewkę Pk przy prawidłowej polaryzacji i lampkę dać np neonówkę na pierwotnych zaciskach trafa
Jak źle podłączysz to neonówka nie zapali się
Jak chcesz użyć diody led to daj ją za mostkiem prostowniczym
co do idei to ok, ale realizacja niebardzawa,
wystarczyłaby jedna dioda ktora spolaryzowałaby cewkę Pk przy prawidłowej polaryzacji i lampkę dać np neonówkę na pierwotnych zaciskach trafa
Jak źle podłączysz to neonówka nie zapali się
Jak chcesz użyć diody led to daj ją za mostkiem prostowniczym
poprawka
poprzedni schemat nie był poprawny więc wstawiam ponownie i czekam na opinie
chodzi mi o to aby podało napięcie na przekaźnik przy prawidłowym podłączeniu do akumulatora (rys a) oraz zasygnalizowało błędne podłączenie (żarówka) przy niewłaściwym podłączeniu do akumulatora (rys b), czy teraz będzie ok?
zobacz
chodzi mi o to aby podało napięcie na przekaźnik przy prawidłowym podłączeniu do akumulatora (rys a) oraz zasygnalizowało błędne podłączenie (żarówka) przy niewłaściwym podłączeniu do akumulatora (rys b), czy teraz będzie ok?
zobacz
Ostatnio zmieniony 22 kwie 2008, o 15:42 przez maciekc, łącznie zmieniany 18 razy.
Witam
Bład tkwi w założeniach. Jeśli zamienisz kolejność przewodów przy podłączaniu akumulatora do prostownika to akumulator zostaje natychmiast zwarty przez diody w prostowniku. Przy w miarę dobrze naładowanym akumulatorze pewno skończy się to odpaleniem diod, przy słabiej naładowanym wystapi tylko niezły błysk przy podłaczaniu. Tak czy inaczej dodatkowy wskaźnik jest zbedny bo efekty świetlne będą wystarczające. Zamiast tego pomyslałbym o układzie na np przekaźniku który by automatycznie zmieniał biegunowośc przy nieprawidłowym podłączeniu. Można wtedy dać wskaźnik działania takiego układziku, inna sprawa że jest to wtedy tylko gadżet .
Bład tkwi w założeniach. Jeśli zamienisz kolejność przewodów przy podłączaniu akumulatora do prostownika to akumulator zostaje natychmiast zwarty przez diody w prostowniku. Przy w miarę dobrze naładowanym akumulatorze pewno skończy się to odpaleniem diod, przy słabiej naładowanym wystapi tylko niezły błysk przy podłaczaniu. Tak czy inaczej dodatkowy wskaźnik jest zbedny bo efekty świetlne będą wystarczające. Zamiast tego pomyslałbym o układzie na np przekaźniku który by automatycznie zmieniał biegunowośc przy nieprawidłowym podłączeniu. Można wtedy dać wskaźnik działania takiego układziku, inna sprawa że jest to wtedy tylko gadżet .
Kto jest online
Użytkownicy przeglądający to forum: Obecnie na forum nie ma żadnego zarejestrowanego użytkownika i 33 gości

