Witam
Ma do wyliczenia zadanie z elektrotechniki. cały czas próbuje i nic mi nie wychodzi.
jakby ktoś mi mógł podrzucić jakąś wskazówkę to byłoby super.
Lewandi
 
PS
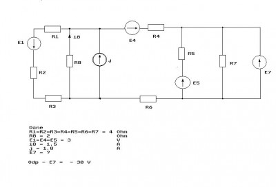
W załączniku jest zadanie.
				 
Aktyw Forum
Zarejestruj się na forum.ep.com.pl i zgłoś swój akces do Aktywu Forum. Jeśli jesteś już zarejestrowany wystarczy, że się zalogujesz.
Sprawdź punkty Zarejestruj sięZadanie z podstaw elektrotechniki
Moderatorzy:Jacek Bogusz, Moderatorzy
- Aleksander Zawada
- Moderator 
- Posty:532
- Rejestracja:21 lut 2003, o 12:10
- Lokalizacja:Warszawa
- Kontaktowanie:
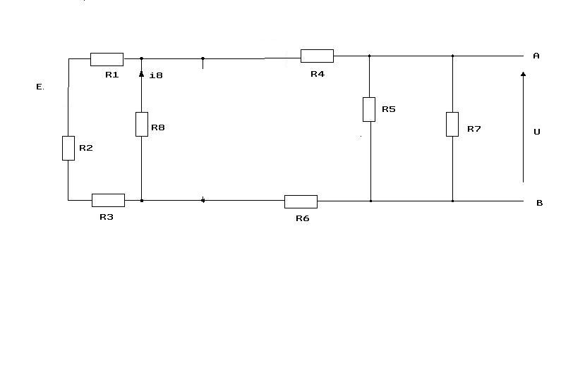
Ja liczyłem to metodą praw Kirchoffa i wychodzą mi dziwne wartości.
Zadanie można liczyć dowolną metodą.
Próbowałem także zastosować twierdzenie Tewenina , ale nic mi nie wychodzi ( nie jest to moja ulubiona metoda)
Co do pierwszej metody, to liczyłem kilka razy, gdyż na początku myślałem,że popełniam jakiś błąd w rachunkach, ale to nie to.
Policzyłem rezystancje zastępczą dla takiego układu, ale mam problem z mam problem z wyznaczeniem zastepczego źródła zasilania E
Pozdrawiam
Lewandi
				
			Zadanie można liczyć dowolną metodą.
Próbowałem także zastosować twierdzenie Tewenina , ale nic mi nie wychodzi ( nie jest to moja ulubiona metoda)
Co do pierwszej metody, to liczyłem kilka razy, gdyż na początku myślałem,że popełniam jakiś błąd w rachunkach, ale to nie to.
Policzyłem rezystancje zastępczą dla takiego układu, ale mam problem z mam problem z wyznaczeniem zastepczego źródła zasilania E
Pozdrawiam
Lewandi
Kto jest online
Użytkownicy przeglądający to forum: Obecnie na forum nie ma żadnego zarejestrowanego użytkownika i 26 gości



