Aktyw Forum

Zarejestruj się na forum.ep.com.pl i zgłoś swój akces do Aktywu Forum. Jeśli jesteś już zarejestrowany wystarczy, że się zalogujesz.

Sprawdź punkty Zarejestruj się

Sterownik PLC

elektronikopo
-
-
Posty:160
Rejestracja:8 lis 2007, o 22:59
Lokalizacja:Poznań
Sterownik PLC

Postautor: elektronikopo » 23 lis 2007, o 20:10

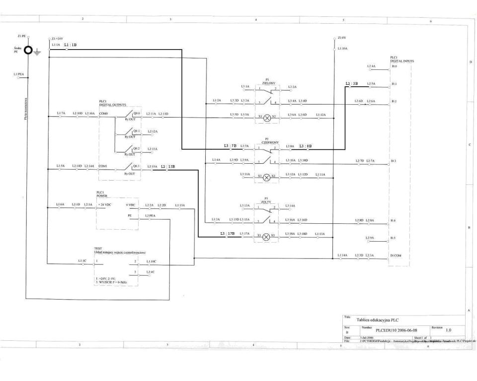
Zrobiłem sprawozdanie z pracownii programowania sterwonika PLC na temat:
Obrazek
Tutaj jest układ podstawowy do , którego bede jeszcze dołączał :
Obrazek
Tu jest dokumentacja o odnosnie programowania

Kod: Zaznacz cały

http://www.speedyshare.com/242786618.html
Tu jest dokumentacja odnosnie wszytskiego o sterwoniku PLC

Kod: Zaznacz cały

http://rapidshare.com/files/58235450/DOKUMENTACJA_ZD100_PLC.rar
Teraz zamieszczam sprwozdanie , które zrobiłem prosze o sprawdzenie go w razie błędów prosze je poprawić , gdyby czegoś nie było sprwozdanie prosze to dodać. Szczególną uwage zwróćcie na algorytm bo nie wiem czy mam go dobrze narysowanego i wskania eksplatacyjne oraz założenia czy są dobrze i wykaz działań

Jeszcze jedno w dokumentacji znalałem takie informacje :

Założenia do programów sterujących dla tablic edukacyjnych PLC Program I.
Założenia:
• Przyciski P1, P2 służą do realizacji algorytmu załączania z podtrzymaniem.
• Przycisk P3 służy do realizacji algorytmu opóźnionego załączania.
• Podłączenia styków i diod LED przycisków zgodne z załączonym schematem.
Przebieg:
• Wciśnięcie przycisku P1 (wejście I0.2 = 1) jest odczytywane przez sterownik - zapala
się na sterowniku LED IN2
• Sterownik bezzwłocznie załącza przekaźnik (wyjście Q0.0 = 1), co jest sygnalizowane
zapaleniem się na sterowniku LED OUT0
• Styki przekaźnika powodują zapalenie zielonej diody P1
• Po zwolnieniu przycisku P1 (I0.2 =0), pozostaje załączony przekaźnik (Q0.0 = 1) oraz
świecą się LEDy: P1, OUT0
• Wciśnięcie przycisku P2 (wejście I0.3 = 1) jest odczytywane przez sterownik - zapala
się na sterowniku LED IN3
• Sterownik bezzwłocznie wyłącza przekaźnik (Q0.0 = 0), co jest sygnalizowane
zgaśnięciem na sterowniku LED OUT0
• Rozwierający się styk przekaźnika powoduje zgaśnięcie zielonej diody P1
• Po zwolnieniu przycisku P2 (I0.3 =0), gaśnie na sterowniku LED IN3
• Wciśnięcie przycisku P3 (wejście I0.4 = 1) jest odczytywane przez sterownik - zapala
się na sterowniku LED IN4
• Po 4 s sterownik zapala diodę OUT1 i załącza odpowiedni przekaźnik (Q0.1 = 1)
• Po następnych 4 s sterownik zapala diodę OUT2 i załącza kolejny przekaźnik (Q0.2 = 1)
• Po następnych 4 s sterownik zapala diodę OUT3 i załącza kolejny przekaźnik (Q0.3 = 1)
• Zwolnienie przycisku P3 powoduje natychmiastowe wyłączenie załączonych
przekaźników, odpowiadających wyjściom: Q0.1 = 0, Q0.2 = 0, Q0.3 = 0 i zgaśnięcie
diod OUT1, OUT2, OUT3, IN4.

Mi sie wydaje , że to się odnosi do mojego programu . Prosze o potwierdzenie tego
Załączniki
3.JPG
2.JPG
c.JPG

elektronikopo
-
-
Posty:160
Rejestracja:8 lis 2007, o 22:59
Lokalizacja:Poznań

Postautor: elektronikopo » 24 lis 2007, o 15:46

Poprawiłem algorytm tego programu bo jest źle prosze o sprawdzenie go w razie błędu prosze poprawić go
Załączniki
4.JPG

marek1
-
-
Posty:104
Rejestracja:11 kwie 2007, o 18:46
Lokalizacja:Cieszyn

Postautor: marek1 » 24 lis 2007, o 16:18

Witam
Wszystkie znane mi sterowniki PLC (tego o którym mowa w zapytaniu nie znam, zle zakładam że jest tak samo) realizują swój program w nieskończonej pętli (czyli trochę inaczej niż można się robią to mikroprocesory)
Moim zdaniem pierwszy algorytm był bliższy poprawnej realizacji założeń programu, chociażby dlatego że zakładał pracę w pętli. Drugi algorytm, dla I0.2 = 1 zawiesi program i nie ma żadnego sterowania.

Ogólnie zakładając pozytywną logikę oraz instrukcje z załączonych skanów powinno być:

LD I0.2
S Q0.3
LD i0.1
R Q0.3

Osobną sprawą jest, który sygnał Set czy Reset powinien mieć wyższy priorytet.

Można też to prosto przełożyć na jężyk Ladder

elektronikopo
-
-
Posty:160
Rejestracja:8 lis 2007, o 22:59
Lokalizacja:Poznań

Postautor: elektronikopo » 24 lis 2007, o 16:30

Listing jest na pewno dobrze bo według tego listingu program mi działał zielonym przyciskiem zapalałem żarówke na czerwonym gasiłem

Jeśli ma to pracować w pętli ma odbywać sterwanie to według Ciebie algorytm powinien wygładać tak :
Załączniki
5.JPG

marek1
-
-
Posty:104
Rejestracja:11 kwie 2007, o 18:46
Lokalizacja:Cieszyn

Postautor: marek1 » 24 lis 2007, o 17:08

Nie może być zapętlenia dla I0.2 = 1 - być może w tym prościutkim przykładzie będzie to nawet działało, ale patrząc na sterownik jako na urządzenie, które może sterować setmaki wejść i wyjść, jeżeli pojawi się taka pętla to program dla I0.2 = 1 nie będzie realizował niczego innego (nie wiem jak ten sterownik, ale np. sterownik Siemens zatrzyma wykonywanie programu z komunikatem - przekroczony czas cyklu.

Jeżeli chodzi o listing to jest to to samo co napisałem powyżej tylko z odwróconym stanem na resecie. Listing ten jednak ma się nijak do poprawionego algorytmu.

Pozdrawiam
Marek

elektronikopo
-
-
Posty:160
Rejestracja:8 lis 2007, o 22:59
Lokalizacja:Poznań

Postautor: elektronikopo » 24 lis 2007, o 17:45

To narysuj jak wedlug Ciebie powiniem wyglądać algorytm bo ja nie rozumiem tego, nie wiem jak to narysować . Według mnie gdy na I0.2 jest jedynka wtedy jest przcisk w stanie swobodnym czyli nie jest wciśniety bo są to styki NC czili nic sie nie dzieje w układzie nawet gdyby wcisnac przycisk Io.2 to i tak nic sie nie będzie działo bo nie bedzie mial co gasić wiec musi iść do początku programu to jak narysowałem . Jeśli przycisk zielony jest wciśnięty czyli wystepuje na nim stan 0 to program sprawdza stan na przycisku czerwonym jesli jest na nim 1 to stan na wyjsciu Q0.3 jest ustawiany taki jak poprzedni stan czyli żarówka dalej świeci. Natomiast jeżeli na wejsciu Io.2 na przycisku czerwonym jest stan 0 to przycisk czerwony jest wciśniety.Powoduje to zgaszenie żarówki co powoduje zresetowanie poprzedniego stanu ( skasowanie) . I po program idzie do startu i obdywa sie to tak samo jak podałem wyżej.

Jak uwazasz innaczej narysuj wedlug Ciebie algorytm poprawny

elektronikopo
-
-
Posty:160
Rejestracja:8 lis 2007, o 22:59
Lokalizacja:Poznań

Postautor: elektronikopo » 24 lis 2007, o 18:13

Narysowałem ten algorytm Na podstwie tabelki która jest w sprawozdaniu listing mam dobrze bo to mi pokazał program ten listing na podstawie języku drabinkowego
Załączniki
6.JPG

marek1
-
-
Posty:104
Rejestracja:11 kwie 2007, o 18:46
Lokalizacja:Cieszyn

Postautor: marek1 » 24 lis 2007, o 18:29

Moim zdaniem aby algorytm i listing (który jest poprawny) były zgodne to powinno to wyglądać jak niżej.

Pozdrawiam
Marek
Załączniki
t_4_176.jpg
t_4_176.jpg (7.35KiB)Przejrzano 6482 razy

elektronikopo
-
-
Posty:160
Rejestracja:8 lis 2007, o 22:59
Lokalizacja:Poznań

Postautor: elektronikopo » 24 lis 2007, o 18:44

Dzięki ale listingu ktory napisałem napewno jest dobrze bo sam program Twinsoft mi go automatycznie napisał ja tylko narysowałem w języku drabinkowym ten program i po podłączeniu steownika PLC do komptera i po wykonaniu odpowenich operacji w programie Twinsoft program mi dziłał gdy naciśnołem zielony buzik świeciła żarowka gdy nacisnełem czerwony gasła . Prosze narysować jak bedzie wyglądał algorytm dla mojego listingu patrz poniżej
Załączniki
bez tytułu.JPG
eryhrtyhuy.jpg

marek1
-
-
Posty:104
Rejestracja:11 kwie 2007, o 18:46
Lokalizacja:Cieszyn

Postautor: marek1 » 24 lis 2007, o 18:57

Zgadza się - program jest poprawny, a algorytm zamieściłem w poprzednim poście.

Marek

elektronikopo
-
-
Posty:160
Rejestracja:8 lis 2007, o 22:59
Lokalizacja:Poznań

Postautor: elektronikopo » 24 lis 2007, o 19:14

Czyli poprawny algorytm do programu :

0 LD % I0.2
1 S % Q0.3
2 LDN % I0.1
3 R % Q0.3

wygląda tak jak poniżej. Prosze wytlumaczyc mi dlaczego algorytm wygląda tak. Dlaczego najpierw jest wejscie I0.1 sporo w listingu najpierw jest I0.2 Dlaczedo dla jedynki na I0.1 stan jest ustawiany tak jaki był porzednio i gdy na I0.2 jest zero to stan jest kasowany i z powrotem idzie to do startu.Prosze wyjaśnić mi dokładnie dlaczego algorytm wygląda tak bo nie rozumeim tego.
Załączniki
7.jpg
7.jpg (7.35KiB)Przejrzano 6466 razy

elektronikopo
-
-
Posty:160
Rejestracja:8 lis 2007, o 22:59
Lokalizacja:Poznań

Postautor: elektronikopo » 24 lis 2007, o 20:45

Czyli algorytm do listingu :
0 LD % I0.2
1 S % Q0.3
2 LDN % I0.1
3 R % Q0.3
Wygląda prosze o potwierdzenie i wyjasnie dlaczego on tak wygląda i wyjasnieneiw szystko co napisałem posta wczesniej
Załączniki
8.JPG

elektronikopo
-
-
Posty:160
Rejestracja:8 lis 2007, o 22:59
Lokalizacja:Poznań

Postautor: elektronikopo » 25 lis 2007, o 08:48

Prosze kogoś kto się zna na sterwniku PLC sprawdzenie tego algorytmu w razie błędu prosze poprawić ten algorytm

marek1
-
-
Posty:104
Rejestracja:11 kwie 2007, o 18:46
Lokalizacja:Cieszyn

Postautor: marek1 » 25 lis 2007, o 09:18

Wystarczy że zamienisz na algorytmie I0.1 z I0.2 i będzie OK (na moim rysunku jest poprostu I0.1 jako Set a I0.2 jako reset - przez pomyłkę).

Pozdrawiam
Marek

elektronikopo
-
-
Posty:160
Rejestracja:8 lis 2007, o 22:59
Lokalizacja:Poznań

Postautor: elektronikopo » 25 lis 2007, o 09:27

Czyli powinno być tak jak poniżej . A mozesz mi wytlumaczyc dlaczego ten algorytm jest tak narysowany bo ja nie rozumiem dlaczego tak jest. Jeżeli na wejściu I0.1 jest jedynka czyli przycisk zielony jest wciśnięty to stan ten jest ustawiany na wyjsciu Q0.3 czyli na żarówce czyli żarówka świeci. teraz tego nie rozumiem jeśli na wejsciu I0.2 jest 0 to przycisk czerwony nie jes wciśnięty to nastepuje Reset wyjscia Q0.3. Moim zdaniem powinno być odwrotnie gdy na I0.1 jest jedynka to wyjscie Q0.3 jest resetowany czyli żarówka gasnie. Prosze wyjaśnić mi ten algorytm bo nie rozumiem tego do końca.
Załączniki
9.JPG

elektronikopo
-
-
Posty:160
Rejestracja:8 lis 2007, o 22:59
Lokalizacja:Poznań

Postautor: elektronikopo » 25 lis 2007, o 13:59

Algorytm nie powinein tak wyglądać , bo kolega mówił mi , że Koniec program traktuje jako statr
Załączniki
9.JPG

elektronikopo
-
-
Posty:160
Rejestracja:8 lis 2007, o 22:59
Lokalizacja:Poznań

Postautor: elektronikopo » 25 lis 2007, o 19:50

Włąsnie kończe robić sprawozdanie z tego co napisać w punkcie

7. Wskazania eksploatacyjne dla użytkownika układu oraz warunków środowiskowych wymaganych podczas działania urządzenia Jak napisałem jak poniżej co jeszcze mzona napisać


- napięcie zasilania powinno wynosić 230V;
- maksymalny prąd poboru 1,8A
- temperatura otoczenia powinna mieścić się w granicach 0-40°C;
- wilgotność otoczenia 30-80%.
-ciśnienie atmosferyczne 84 – 106 kPa
- częstotliwość zasilania 50Hz

elektronikopo
-
-
Posty:160
Rejestracja:8 lis 2007, o 22:59
Lokalizacja:Poznań

Postautor: elektronikopo » 25 lis 2007, o 20:34

Mam pytanie odnośnie tabelki Wpisuje w tabelce połączenie L1.1B z L3 &B czyli L1 1A L3 7A
L2 15B z L3 17B czy L2 15A z L3 17A , L3 8Bz L2 5B czy L3 8A z L2 5A . W tabelkach wpisuje w dwie strony dla przykładu w tanelece L3 przy 7 wersie pisze L1.1B i w druga strone w tabelece L1 w pierwszym wersie pisze L3 7B . Prosze o zdanie na ten temat

Zamieszczam tabelki prosze powiedzieć czy mam je dobrze
Załączniki
5.JPG
4.JPG

Wróć do „Elektronika - tematy dowolne”

Kto jest online

Użytkownicy przeglądający to forum: Obecnie na forum nie ma żadnego zarejestrowanego użytkownika i 0 gości