Aktyw Forum
Zarejestruj się na forum.ep.com.pl i zgłoś swój akces do Aktywu Forum. Jeśli jesteś już zarejestrowany wystarczy, że się zalogujesz.
Sprawdź punkty Zarejestruj sięPrzewód ochronny
Moderatorzy:Jacek Bogusz, Moderatorzy
Być może to trochę błahe pytanie, więc na wstępie proszę o wybaczenie.
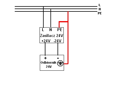
Mam: zasilacz 24V i pewne urządzenie.
Do zasilacza przychodzą 3 kabelki z gniazdka 230V: L, N i PE.
Z zasilacza wychodzą 2 kabelki: "+" i "-".
Do urządzenia zasilanego 24V powinny być podłączone "+", "-" i przewód ochronny (do metalowej obudowy).
Moje pytanie: jak mam podłączyć przewód ochronny do obudowy? Czy mogę go podłączyć do PE zasilania 230V, czy jakoś inaczej? Mogę go w ogóle nie podłączać (jakimi to grozi konsekwencjami)?
Mam: zasilacz 24V i pewne urządzenie.
Do zasilacza przychodzą 3 kabelki z gniazdka 230V: L, N i PE.
Z zasilacza wychodzą 2 kabelki: "+" i "-".
Do urządzenia zasilanego 24V powinny być podłączone "+", "-" i przewód ochronny (do metalowej obudowy).
Moje pytanie: jak mam podłączyć przewód ochronny do obudowy? Czy mogę go podłączyć do PE zasilania 230V, czy jakoś inaczej? Mogę go w ogóle nie podłączać (jakimi to grozi konsekwencjami)?
Według mnie nie ma różnicy czy to telewizorek, czy radyjko. Chodzi tylko o to, w jaki sposób podłączyć uziemienie ochronne i uziemić metalowe części obudowy. Chciałbym wiedzieć czy mogę złączyć je z przewodem ochronnym zasilania 230V, czy mogę go nie podłączać, czy mam je podłączyć jakoś inaczej - po to, any nie czegoś nie zrobić źle.Główny problem w tym że nie wiadomo co to jest za urządzenie tóre Musisz podłączyc do tego zasilacza.Przewód PE ma odłączyc zasilanie w razie zagrożenia porażeniem prądem.Oczywiście o ile jest zamontowany odpowiedni tzw. bezpiecznik.
Jest to urządzenie produkcji polskiej sprzed lat zaś zasilacz od innego "czegoś" może nowy?
Rodzaj urządzenia w zasadzie nie ma znaczenia. Ważne że uziemiony jest zasilacz. Porażenie napięciem 24V nie jest możliwe. Ale z ciekawości, jakie to urządzenie że przy niskim napięciu ma jeszcze uziemienie??
Co do podpięcia. Ten bezpiecznik o którym mowa to wyłącznik różnicowo-prądowy. Występuje w nowych typach instalacji, wymagany przepisami. Włosi na przykład nazywają go "ratujący życie" i takie właśnie jego przeznaczenie. Do niego instalujemy instalację trójprzewodową, czyli w układzie TN-S. Jeśli masz w domu starą instalację dwuprzewodową, czyli w układzie TN-C, masz uziemienie podpięte pod przewód neutralny (faktycznie PEN), który aż do transformatora jest również uziemieniowym.
Rodzaj urządzenia w zasadzie nie ma znaczenia. Ważne że uziemiony jest zasilacz. Porażenie napięciem 24V nie jest możliwe. Ale z ciekawości, jakie to urządzenie że przy niskim napięciu ma jeszcze uziemienie??
Co do podpięcia. Ten bezpiecznik o którym mowa to wyłącznik różnicowo-prądowy. Występuje w nowych typach instalacji, wymagany przepisami. Włosi na przykład nazywają go "ratujący życie" i takie właśnie jego przeznaczenie. Do niego instalujemy instalację trójprzewodową, czyli w układzie TN-S. Jeśli masz w domu starą instalację dwuprzewodową, czyli w układzie TN-C, masz uziemienie podpięte pod przewód neutralny (faktycznie PEN), który aż do transformatora jest również uziemieniowym.
Wszystko jest mozliwe, nawet smiertelne porazenie kilkunastoma woltami. Wszystko zalezy od warunkow srodowiskowych. Choc faktycznie 24V dla DC uznaje sie za napiecie "bezpieczne".Porażenie napięciem 24V nie jest możliwe.
Roznicowki niekoniecznie musza byc w wersji z podlaczeniem PE (a nawet PE nie powinno sie "przerywac" - np. by podlaczac bezpieczniki), zreszta zasada dzialania nie wymaga takiego podlaczenia. Rownie dobrze moga byc stosowane w instalacji 2 przewodowej.Ten bezpiecznik o którym mowa to wyłącznik różnicowo-prądowy. Występuje w nowych typach instalacji, wymagany przepisami. Włosi na przykład nazywają go "ratujący życie" i takie właśnie jego przeznaczenie. Do niego instalujemy instalację trójprzewodową, czyli w układzie TN-S. Jeśli masz w domu starą instalację dwuprzewodową, czyli w układzie TN-C, masz uziemienie podpięte pod przewód neutralny (faktycznie PEN), który aż do transformatora jest również uziemieniowym.
Pajączek zaś napisał:
"Wszystko jest mozliwe, nawet smiertelne porazenie kilkunastoma woltami. Wszystko zalezy od warunkow srodowiskowych."
Porażenie niskim napięciem jest możliwe, u zwierząt. Szczególnie DC. Więc ciekaw jestem tego urządzenia. Różnicówka porównuje potencjały, upływ do PE powoduje zaburzenie równowagi i zadziałanie wyłącznika automatycznego. Do zwarcia miedzy F i N to już zwykła nadmiarówka. Wyłącznik magnetotermiczny. Wyłącznik nadmiarowo prądowy jest do NT-S.Przewód PE zaś nie jest nigdy przerywany. Tworzy jeden ciągły obwód. Punkt rozdzielenia PEN na PE i N zaś, przed RCD , musi być koniecznie uziemiony.
"Wszystko jest mozliwe, nawet smiertelne porazenie kilkunastoma woltami. Wszystko zalezy od warunkow srodowiskowych."
Porażenie niskim napięciem jest możliwe, u zwierząt. Szczególnie DC. Więc ciekaw jestem tego urządzenia. Różnicówka porównuje potencjały, upływ do PE powoduje zaburzenie równowagi i zadziałanie wyłącznika automatycznego. Do zwarcia miedzy F i N to już zwykła nadmiarówka. Wyłącznik magnetotermiczny. Wyłącznik nadmiarowo prądowy jest do NT-S.Przewód PE zaś nie jest nigdy przerywany. Tworzy jeden ciągły obwód. Punkt rozdzielenia PEN na PE i N zaś, przed RCD , musi być koniecznie uziemiony.
Zas tez skomentowal
Zas czy DC czy AC... DC ze wzgledu na charakter jest potencjalnie niebezpieczniejsze, ale pemietajmy ze niebezpieczne sa wszelkie prazenia.
Teraz pierwsza czesc. Nigdzie nie pisalem jakoby mial dzialac jako nadmiarowka, czy tez ja zastepowac.
Ok, to masz zabezpieczenie w przypadku uplywu F -> PE - roznicowka.
Masz zabezpieczenie w przypadku zwarcia F -> N - nadmiarowka.
A co w przypadku uplywu F -> twoje paluchy wlozone gdzie nietrzeba -> chocby gleba, badz jakakolwiek instalacja (np. co). Wg. Twojego schematu roznicowka nie zwracala by na to uwagi
Roznicowka dziala na F i N, czyli normalnych przewodach roboczych, i na bogi, nie porownuje zadnych potencjalow
U ludzi toze, glownym czynnikiem chroniacym przed porazeniem jest skora, a ta moze zmienic swoje normalne wlasciwosci pod wplywem chocby czynnikow chorobowych. Ale nie chcialbym tu sie zaglebiac, jedynie wiem i sygnalizuje ze teoretycznie jest mozliwe porazenie nizszymi napieciami, takze u ludzi.Pajączek zaś napisał:
"Wszystko jest mozliwe, nawet smiertelne porazenie kilkunastoma woltami. Wszystko zalezy od warunkow srodowiskowych."
Porażenie niskim napięciem jest możliwe, u zwierząt. Szczególnie DC.
Zas czy DC czy AC... DC ze wzgledu na charakter jest potencjalnie niebezpieczniejsze, ale pemietajmy ze niebezpieczne sa wszelkie prazenia.
Troche mnie nie zrozumiales z tym przerywaniem. Chodzilo mi o nie przerywanie ciaglosci przewodu poprzez chocby "uciecie i polaczenie w kostce". Powinno sie unikac jakichkolwiek polaczen przewodu PE. Powinien byc to (oczywiscie w miare mozliwosci) jeden ciagly odcinek przewodu. A wiec podlaczenie w trakcie jakichkolwiek przyrzadow, chocby bezpiecznikow, jest raczej niewskazane. Generuje potencjalne miejsca awarii. A ma to byc przeciez przewod niezawodny.Różnicówka porównuje potencjały, upływ do PE powoduje zaburzenie równowagi i zadziałanie wyłącznika automatycznego. Do zwarcia miedzy F i N to już zwykła nadmiarówka. Wyłącznik magnetotermiczny. Wyłącznik nadmiarowo prądowy jest do NT-S.Przewód PE zaś nie jest nigdy przerywany. Tworzy jeden ciągły obwód. Punkt rozdzielenia PEN na PE i N zaś, przed RCD , musi być koniecznie uziemiony.
Teraz pierwsza czesc. Nigdzie nie pisalem jakoby mial dzialac jako nadmiarowka, czy tez ja zastepowac.
Ok, to masz zabezpieczenie w przypadku uplywu F -> PE - roznicowka.
Masz zabezpieczenie w przypadku zwarcia F -> N - nadmiarowka.
A co w przypadku uplywu F -> twoje paluchy wlozone gdzie nietrzeba -> chocby gleba, badz jakakolwiek instalacja (np. co). Wg. Twojego schematu roznicowka nie zwracala by na to uwagi
Roznicowka dziala na F i N, czyli normalnych przewodach roboczych, i na bogi, nie porownuje zadnych potencjalow
"Jeśli chodzi o układ sieciowy TN-C, w którym nie ma osobnego przewodu ochronnego PE, tylko wspólny przewód ochronno-neutralny PEN, to norma PN-IEC 60364-5-53:1999 pkt 531.2.1.5 mówi: Zastosowanie urządzenia ochronnego różnicowoprądowego włączonego w obwody, niemające przewodu ochronnego, nie może być uznane za skuteczny środek ochrony przed dotykiem pośrednim, nawet w przypadku, gdy znamionowy różnicowy prąd zadziałania nie przekracza 30 mA."
Cytat z Wikipedii.
" * Podczas normalnej pracy, wektorowa suma prądów płynących przez przekładnik jest równa zero (zgodnie z I prawem Kirchhoffa), stąd w uzwojeniu wtórnym (nawiniętym na rdzeniu przekładnika) nie indukuje się SEM, przekaźnik spolaryzowany jest zamknięty (zwora przyciągana przez magnes stały) a styki główne zamknięte.
* Jeżeli w chronionym obwodzie pojawi się prąd upływowy (np. przez ciało człowieka do ziemi, lub przez przewód PE), to wtedy suma prądów w oknie przekładnika będzie różna od zera . W uzwojeniu wtórnym indukuje się SEM, która powoduje przepływ prądu przez cewkę przekaźnika spolaryzowanego. Pole magnetyczne wytworzone przez cewkę kompensuje pole magnetyczne magnesu stałego przekaźnika. Jeśli prąd upływu przekroczy próg zadziałania wyłącznika (IΔn), przekaźnik spolaryzowany zostaje otwarty, zwalniając zamek i otwierając styki główne, a przez to odłączając zasilanie obwodu.
To wciąż Wikipedia.
Oto link do tematu z większą ilością informacji.
http://pl.wikipedia.org/w/index.php?tit ... id=9098544
Reasumując, wyłącznik różnicowoprądowy zadziała przy upływie prądu przez ciało człowieka, ale po co?? Kiedyś nieraz "kopnęła" mnie pralka. Dziś do tego nie dopuszczam. Moje dzieci znają niebezpieczeństwo kontaktu z prądem elektrycznym z opowiadań jednak nigdy go nie przeżyły bo w sieci nie "grzebią". Przebicie zaś na obudowę w urządzeniu zasilanym 24V i porażenie to dla mnie jednak pomyłka. Sam "dłubię" pod napięciami niskimi, choćby pod zasilaczem i jakoś nigdy nic. A w ciężarówkach instalacja rozruchowa 24V i za bezpieczną uznana. Łuk może przysmażyć (całkiem ładny jest) ale napięcie nawet nie łaskocze. Na ranie sytuacja faktycznie się zmienia. Na ranie nawet 12V daje łaskotanie. Przyznaję więc rację. Częściowo, bo jednak niebezpieczne to nie jest. Zresztą, alkohol etylowy też jest dość silną trucizną, a rozejrzyjmy się dookoła.
Przewód PE jest normalnie cięty i łączony, jak choćby przewód neutralny. Jednak zawsze tworzy jedną całość, czyli że nic nie jest wpięte w szereg. I nie stosujemy na nim żadnych bezpieczników. I elementy metalowe instalacji CO, na przykład, też muszą być uziemione.
Cytat z Wikipedii.
" * Podczas normalnej pracy, wektorowa suma prądów płynących przez przekładnik jest równa zero (zgodnie z I prawem Kirchhoffa), stąd w uzwojeniu wtórnym (nawiniętym na rdzeniu przekładnika) nie indukuje się SEM, przekaźnik spolaryzowany jest zamknięty (zwora przyciągana przez magnes stały) a styki główne zamknięte.
* Jeżeli w chronionym obwodzie pojawi się prąd upływowy (np. przez ciało człowieka do ziemi, lub przez przewód PE), to wtedy suma prądów w oknie przekładnika będzie różna od zera . W uzwojeniu wtórnym indukuje się SEM, która powoduje przepływ prądu przez cewkę przekaźnika spolaryzowanego. Pole magnetyczne wytworzone przez cewkę kompensuje pole magnetyczne magnesu stałego przekaźnika. Jeśli prąd upływu przekroczy próg zadziałania wyłącznika (IΔn), przekaźnik spolaryzowany zostaje otwarty, zwalniając zamek i otwierając styki główne, a przez to odłączając zasilanie obwodu.
To wciąż Wikipedia.
Oto link do tematu z większą ilością informacji.
http://pl.wikipedia.org/w/index.php?tit ... id=9098544
Reasumując, wyłącznik różnicowoprądowy zadziała przy upływie prądu przez ciało człowieka, ale po co?? Kiedyś nieraz "kopnęła" mnie pralka. Dziś do tego nie dopuszczam. Moje dzieci znają niebezpieczeństwo kontaktu z prądem elektrycznym z opowiadań jednak nigdy go nie przeżyły bo w sieci nie "grzebią". Przebicie zaś na obudowę w urządzeniu zasilanym 24V i porażenie to dla mnie jednak pomyłka. Sam "dłubię" pod napięciami niskimi, choćby pod zasilaczem i jakoś nigdy nic. A w ciężarówkach instalacja rozruchowa 24V i za bezpieczną uznana. Łuk może przysmażyć (całkiem ładny jest) ale napięcie nawet nie łaskocze. Na ranie sytuacja faktycznie się zmienia. Na ranie nawet 12V daje łaskotanie. Przyznaję więc rację. Częściowo, bo jednak niebezpieczne to nie jest. Zresztą, alkohol etylowy też jest dość silną trucizną, a rozejrzyjmy się dookoła.
Przewód PE jest normalnie cięty i łączony, jak choćby przewód neutralny. Jednak zawsze tworzy jedną całość, czyli że nic nie jest wpięte w szereg. I nie stosujemy na nim żadnych bezpieczników. I elementy metalowe instalacji CO, na przykład, też muszą być uziemione.
Nie cytuj mi tu Wikipedii bo znam ja dosc dobrze... i te cytowane teksty rowniez
Pozatym co probujesz nimi udowodnic, bo niezabardzo Ci to wychodzi. Skracam, bo sie nam zaraz posty rozrosna niemozebnie:
Fakt, przyznaje, skutecznym srodkiem ochronnym bedzie zastosowanie i roznicowki i przewodu PE. Jednak zastosowanie samej roznicowki rowniez jest srodkiem ochronnym, nawet w instalacji 2 przewodowej. Posunal bym sie nawet dalej, i postulowal zmiane takiego zapisu normy: "nie jest wystarczajacym srodkiem ochrony...". Pozatym caly czas mowi ona jedynie o "dotyku posrednim".
A po co?? A chocby poto zeby ograniczyc skutki porazenia. Dla Ciebie nieistotne?? jak dla mnie dosc wazne
Co w sytuacji gdy laczony przez Ciebie w 10 miejscach przewod PE jednak bedzie mial przerwe?? Co w sytuacji gdy przebicie urzadzenie - swiat nastapi w urzadzeniu z czesciowo plastikowa obudowa? Co w sytuacji gdy to urzadzenie wreszcie nie ma metalowej obudowy i/lub skutecznego ekranowania??
Reasumuac
Masz grzeczne dzieci, ale ja bym tam wszystkim dzieciom tego swiata jednak nie wierzyl ze nie wloza paluchow (czy co gorsza jezorow) tam gdzie nie trzeba, dziecmi poza wychowaniem rzadzi rowniez przekora - i czasem dobrze, bo to daje nauke na wlasnych bledach.
W kwestii 24 V caly czas mowie przeciez ze jest to napiecie uznawane za tzw. bezpieczne. I nie polemizuje z tym faktem, jest jednak faktem ze w specyficznych farunkach zabic czlowieka mozna i 6 V. Choc byly by to skrajne przypadki oczywiscie, jak podpiecie elektrod bezposrednio do serca
Z mniej skrajnych nie musi to byc wcale rana... wystarczy pomoczyc skore dluzej w wodzie. Moze to byc kwestia choroby (oslabienia) wlasciwosci dielektrycznych skory. Czlowiek nie byl "projektowany" do kontaktu z takimi napieciami
Na zakonczenie. Jesli chcesz jeszcze raz pisac ze 24 jest bezpieczne, PE jest niezbedny do bezpiecznej instacji, nalezy byc uwaznym, palenie zabija a alkohol szkodzi. To ja sie z Toba zgadzam bez dalszej polemiki.
Pozatym co probujesz nimi udowodnic, bo niezabardzo Ci to wychodzi. Skracam, bo sie nam zaraz posty rozrosna niemozebnie:
To mowi przepis... przepis mowi tez ze marchewka to owoc." norma PN-IEC 60364-5-53:1999 pkt 531.2.1.5 mówi: Zastosowanie urządzenia ochronnego różnicowoprądowego włączonego w obwody, niemające przewodu ochronnego, nie może być uznane za skuteczny środek ochrony przed dotykiem pośrednim, "
A wiec wyraznie... prady nie potencjaly... no chyba ze chciales udowodnic ze sie mylisz ;p" * Podczas normalnej pracy, wektorowa suma prądów płynących przez przekładnik jest równa zero (...).
* Jeżeli w chronionym obwodzie pojawi się prąd upływowy (np. przez ciało człowieka do ziemi, lub przez przewód PE), to wtedy suma prądów w oknie przekładnika będzie różna od zera . (...) Jeśli prąd upływu przekroczy próg zadziałania wyłącznika (IΔn), przekaźnik spolaryzowany zostaje otwarty, zwalniając zamek i otwierając styki główne, a przez to odłączając zasilanie obwodu.
(...) Reasumując, wyłącznik różnicowoprądowy zadziała przy upływie prądu przez ciało człowieka, ale po co??
A po co?? A chocby poto zeby ograniczyc skutki porazenia. Dla Ciebie nieistotne?? jak dla mnie dosc wazne
Jak nie ma wyjscia to jest ciety, ale dobrze zaprojektowana instalacja unika ciecia PE w takim stopniu, w jakim to jest mozliwe. I mam wrazenie ze dalej nie rozumiesz, mimo ze chcialem lopatologicznie Ci to przedstawic... nigdzie nie pisalem ani nie mialem tez na mysli wlaczania w przewod PE jakiegokolwiek bezpiecznika. Wrecz dziwil mnie fakt ze chcesz na przewodzie PE mierzyc jakiekolwiek uplywy, a tak zrozumialem ktoras z Twoich powyzszych wypowiedzi.Przewód PE jest normalnie cięty i łączony, jak choćby przewód neutralny. Jednak zawsze tworzy jedną całość, czyli że nic nie jest wpięte w szereg. I nie stosujemy na nim żadnych bezpieczników. I elementy metalowe instalacji CO, na przykład, też muszą być uziemione.
Reasumuac
W kwestii 24 V caly czas mowie przeciez ze jest to napiecie uznawane za tzw. bezpieczne. I nie polemizuje z tym faktem, jest jednak faktem ze w specyficznych farunkach zabic czlowieka mozna i 6 V. Choc byly by to skrajne przypadki oczywiscie, jak podpiecie elektrod bezposrednio do serca
No wlasnie... rozejrzyjmy sie dookola. To ze cos przewiduje jakas norma, to nie znaczy ze przekora czlowiek nie omija tych norm. Zadaniem projektanta jest nie tylko zastosowanie sie do normy, ale czesto wykroczenie daleko poza nia, i przewidzenie co tez ten uzyszkodnik moze z moim urzadzeniem wywinac. Prawnie zabezpiecza sie oczywiscie, ze "nie odpowiada za szkody wynikle z niewlasciwego uzytkowania...", jednak morlanie podchodzac nalezy uniemozliwic/ograniczyc to niewlasciwe uzytkowanie.Przyznaję więc rację. Częściowo, bo jednak niebezpieczne to nie jest. Zresztą, alkohol etylowy też jest dość silną trucizną, a rozejrzyjmy się dookoła.
Na zakonczenie. Jesli chcesz jeszcze raz pisac ze 24 jest bezpieczne, PE jest niezbedny do bezpiecznej instacji, nalezy byc uwaznym, palenie zabija a alkohol szkodzi. To ja sie z Toba zgadzam bez dalszej polemiki.
Dobra, fakt. Jak napisałem, tak zaprzeczyłem
Żadne tam potencjały(mój intelektualny niski, jakiś spadek
Zaś co do kontynuowania, to jestem za zakończeniem dyskusji, choćby w tym miejscu. Kręcimy dookoła tego samego środka, spór dalszy nie ma sensu. Nie bronię się i nie argumentuję więcej. Pozdrawiam.
Zaś co do kontynuowania, to jestem za zakończeniem dyskusji, choćby w tym miejscu. Kręcimy dookoła tego samego środka, spór dalszy nie ma sensu. Nie bronię się i nie argumentuję więcej. Pozdrawiam.
Określenie "napięcie bezpieczne"według mnie powinno byc wycofane z użycia.Ostatnio przeczytałem że napięcie 5V jest napięciem bezpiecznym,ale jakie napięcie będzie bezpiecznym dla ludzi wyczuwających przepływ prądu z baterii 1,5V?. To jedna sprawa,następna to zwiększa się ilośc ludzi posiadających różnego rodzaju symulatory ,czujniki elektroniczne nizbędne w ich życiu.Dla nich nie ma żadnego tzw. napięcia bezpiecznego.
Kto jest online
Użytkownicy przeglądający to forum: Obecnie na forum nie ma żadnego zarejestrowanego użytkownika i 94 gości

