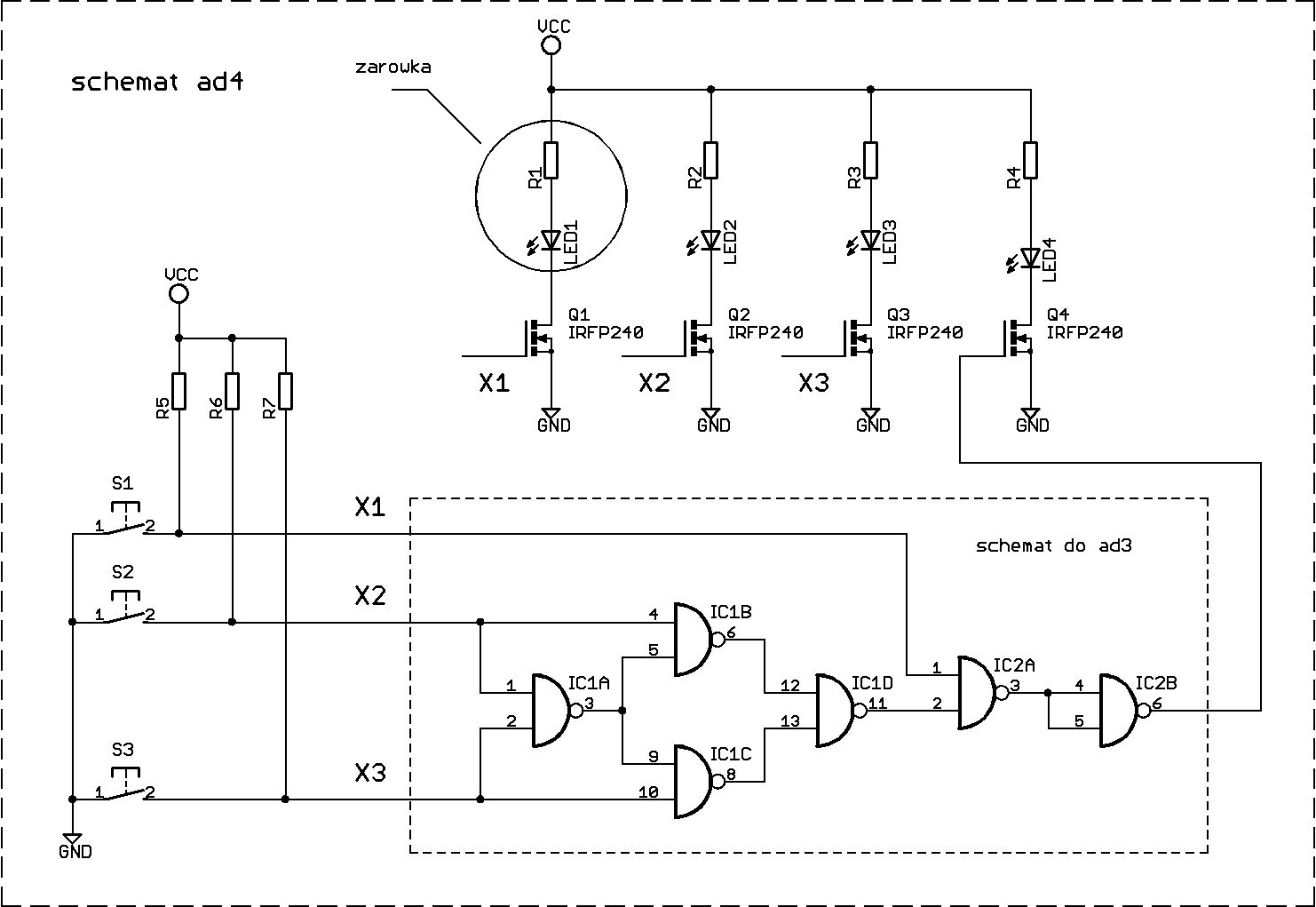
Dana jest tablica prawdy.
1. Zapisz za pomocą funkcji logicznej za pomocą algebry Boole'a w postaci koniunkcyjno-dysjunkcyjnej.
2. Zminimalizuj tę funkcję za pomocą tablicy Karnaugha.
3. Zrealizuj zminimalizowaną funkcję na elemencie dwuwejściowego iloczynu TTL 7400.
4. Narysuj schemat badania układu z przełącznikami do do zadawania stanów na wejścia i żarówkami sygnalizującymi stany wejścia i wyjścia układu.
Aktyw Forum
Zarejestruj się na forum.ep.com.pl i zgłoś swój akces do Aktywu Forum. Jeśli jesteś już zarejestrowany wystarczy, że się zalogujesz.
Sprawdź punkty Zarejestruj sięTablica prawdy
Moderatorzy:Jacek Bogusz, Moderatorzy
- Załączniki
-
- Tabela.JPG (4.68KiB)Przejrzano 2505 razy
Ostatnio zmieniony 31 sie 2006, o 15:36 przez nevada21, łącznie zmieniany 1 raz.
- Aleksander Zawada
- Moderator

- Posty:532
- Rejestracja:21 lut 2003, o 12:10
- Lokalizacja:Warszawa
- Kontaktowanie:
Kto jest online
Użytkownicy przeglądający to forum: Google [Bot], Majestic-12 [Bot] i 0 gości

