Witam
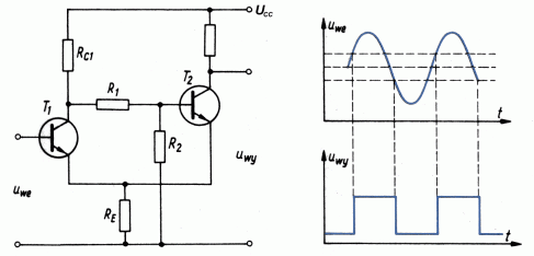
Czy ktos wie jak zrobic przerzutnik schmitta na tranzystorach tylko nie chodzi mi o cos takiego
jak na rysunku ponizej, bo na wyjsciu stan niski i stan wyskoki to sa napiecia dodatnie. Ja potrzebuje zeby na wyjsciu stan wysoki byl napieciem dodatnim a stan niski napieciem ujemnym.
Z góry dzieki za pomoc.
Aktyw Forum
Zarejestruj się na forum.ep.com.pl i zgłoś swój akces do Aktywu Forum. Jeśli jesteś już zarejestrowany wystarczy, że się zalogujesz.
Sprawdź punkty Zarejestruj sięPrzerzutnik schmitta na traznystorach
Moderatorzy:Jacek Bogusz, Moderatorzy
- Aleksander Zawada
- Moderator

- Posty:532
- Rejestracja:21 lut 2003, o 12:10
- Lokalizacja:Warszawa
- Kontaktowanie:
- Aleksander Zawada
- Moderator

- Posty:532
- Rejestracja:21 lut 2003, o 12:10
- Lokalizacja:Warszawa
- Kontaktowanie:
To napięcie ma powedrować na jaksieś sondy. Po prostu potrzebuje jakiś układ na który podaje sygnał TTL o czestotliwości 2MHz i ten układ w momencie kiedy jest na wejściu 0V to daje -40V a gdy na wejściu jest 5V to układ daje +40V. Te +/- 40V podaje na sondy.Tak naprawde nie musi to być wzmacniacz ale jakiś układ który będzie przłączał na plus lub minus 40V.
weź rezystor podłącz do +40V z drugiej strony ściagaj do do -40 zwykłym tranzystorem NPN a steruj to pprostu z TTL przez transoptor... moze charakterystyka pradowa sygnału wysokiego i niskiego nie będzie taka sama (ewentualnie steruj zamaist rezystorem drugim tranzystorem ale to bardziej rozbudowany ukąd bo musisz zaradzić opóźnieniom zeby zwarc nei było) ale dla sondy to chba nei am wiekszego znaczenia bo pojemności i pobór prądu na sądach są niewielkie.
Kto jest online
Użytkownicy przeglądający to forum: Obecnie na forum nie ma żadnego zarejestrowanego użytkownika i 46 gości

