Witam.
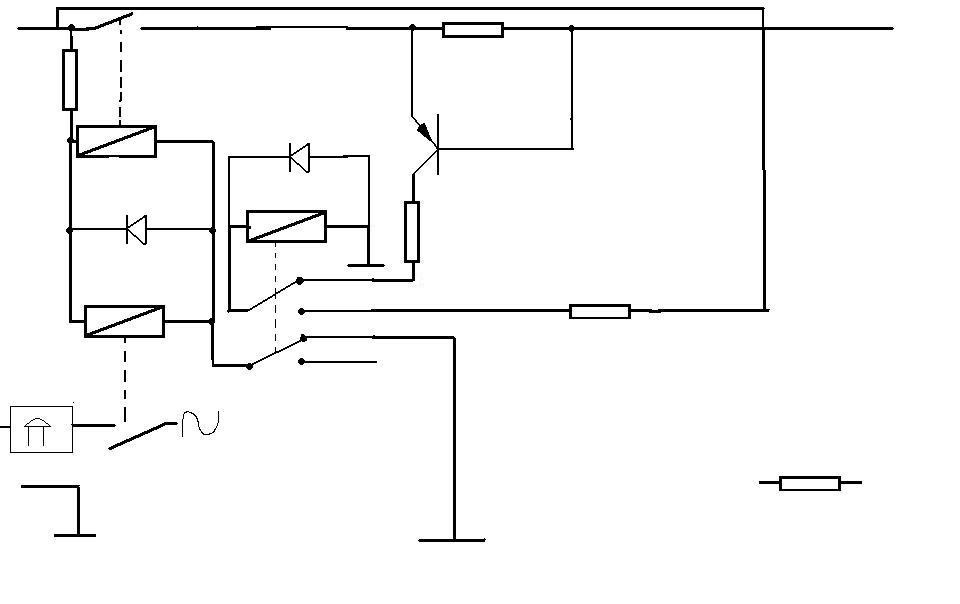
Mam mały problemik z zasilaczem. Zrobiłem zabezpieczenie które otworzy obwód obciążenia powyżej 10A i włączy buzzer ( buzzer jest na napięcie sieciowe). Problem polega na tym, że przekaźnik nie chce się przęłączyć ( buczy). Dałem równolegle kondensator ale nie pomogło. Pytanie jest oczywiste, co zrobić aby przekaźnik się przełączał? Przepraszam za nieudolność przy rysowaniu schematu ale śpieszę się bo chciałbym to jeszcze dziś zrobić.
[ Dodano: 04-05-2006, 18:23 ]
I tak czekając na odpowiedź pokombinowałem i doszedłem co tu nie gra. Wstawiłem za mały kondensator. Po wstawieniu 2200 uF zadziałało:)
Aktyw Forum
Zarejestruj się na forum.ep.com.pl i zgłoś swój akces do Aktywu Forum. Jeśli jesteś już zarejestrowany wystarczy, że się zalogujesz.
Sprawdź punkty Zarejestruj sięCo tu nie gra
Moderatorzy:Jacek Bogusz, Moderatorzy
-
Forest W-ka
- -

- Posty:1
- Rejestracja:4 maja 2006, o 17:19
- Lokalizacja:Warka
- Kontaktowanie:
Kto jest online
Użytkownicy przeglądający to forum: Obecnie na forum nie ma żadnego zarejestrowanego użytkownika i 34 gości