Aktyw Forum
Zarejestruj się na forum.ep.com.pl i zgłoś swój akces do Aktywu Forum. Jeśli jesteś już zarejestrowany wystarczy, że się zalogujesz.
Sprawdź punkty Zarejestruj sięPrawie jak Tyrystor :)
Moderatorzy:Jacek Bogusz, Moderatorzy
-
Upi
Wiadomo jak poda sie napięcie na bramkę tyrystora to zaczyna on przewodzić od anody do katody. (zatrzaskujący sie przycisk) . Chcę aby jednak móc ten proces odwracać . Czyli jak podam napięcie z mikrokontorlera to "przycisk" właczony (przewodzi) jak napięcia nie ma to przycisk "wyłączony"(nie przewodzi).
W jaki sposób można to prosto, szybko i tanio zrobić.
Wszelkie schematy mile widziane, a może są gotowe scalaki.
Pozdrawiam
W jaki sposób można to prosto, szybko i tanio zrobić.
Wszelkie schematy mile widziane, a może są gotowe scalaki.
Pozdrawiam
- Futrzaczek
- -

- Posty:782
- Rejestracja:4 gru 2005, o 17:48
- Lokalizacja:Piotrków Tryb
- Kontaktowanie:
-
Upi
Chcę zamienić przycisk układem sterowanym mikrokontrolerem.
Normalnie kotś by wcisnął przycisk i włączył by urządzenie . Ja chcę aby nie dokonywał tego człowiek a mikrokontroler. Czyli taki układ imitujący przycisk oprócz wejścia i wyjścia powinien posiadać jeszcze starowanie . Te sterowanie było by podłączone do portu mikrokontrolera i przypuśćmy jeśli chcę aby układ był włączony (przycisk on) to podaję na port mikrokontrolera stan wysoki , jak chce wyłączyć to podaję niski.
Podobnie działa tyrystor , z tym że jak się go załączy (stan wysoki z mikrokontrolera) to stan niski go nie wyłacza zawsze pozostaje włączony. A ja chcę włączać i wyłączać .
Zna ktoś chcemat takiego układu , a może jest gotowy scalak do kupienia.
P.S.
Jakie prądy ma to przewodzić ... muszę zmierzyć jaki tam jest prąd.
Normalnie kotś by wcisnął przycisk i włączył by urządzenie . Ja chcę aby nie dokonywał tego człowiek a mikrokontroler. Czyli taki układ imitujący przycisk oprócz wejścia i wyjścia powinien posiadać jeszcze starowanie . Te sterowanie było by podłączone do portu mikrokontrolera i przypuśćmy jeśli chcę aby układ był włączony (przycisk on) to podaję na port mikrokontrolera stan wysoki , jak chce wyłączyć to podaję niski.
Podobnie działa tyrystor , z tym że jak się go załączy (stan wysoki z mikrokontrolera) to stan niski go nie wyłacza zawsze pozostaje włączony. A ja chcę włączać i wyłączać .
Zna ktoś chcemat takiego układu , a może jest gotowy scalak do kupienia.
P.S.
Jakie prądy ma to przewodzić ... muszę zmierzyć jaki tam jest prąd.
-
Upi
Napięcie będzie przemienne bo właśnie w ten sposób chcę sterować lampką. Wchodzi napięcie z sieci energetycznej ~220V . Następnie w lampce jest transformator i do żarówki wchodzi zmienne ~12V.
Czyli tyrystor da mi możliwość właczania i wyłączania lampki. Bo wydawało mi się że włączyć to tak ale później to tyrystor się blokuje i wyłączyć za sprawą mikrokontrolera to już sie nie da .
Więc jak mam iść do sklepu po tyrystor
Czyli tyrystor da mi możliwość właczania i wyłączania lampki. Bo wydawało mi się że włączyć to tak ale później to tyrystor się blokuje i wyłączyć za sprawą mikrokontrolera to już sie nie da .
Więc jak mam iść do sklepu po tyrystor
Tyrystor po wyzwoleniu bramki przewodzi prąd do czasu jak istnieje obciążenie gdy prąd przez niego przestanie płynąć zostaje wyłączonyNapięcie będzie przemienne bo właśnie w ten sposób chcę sterować lampką. Wchodzi napięcie z sieci energetycznej ~220V . Następnie w lampce jest transformator i do żarówki wchodzi zmienne ~12V.
Czyli tyrystor da mi możliwość właczania i wyłączania lampki. Bo wydawało mi się że włączyć to tak ale później to tyrystor się blokuje i wyłączyć za sprawą mikrokontrolera to już sie nie da .
Więc jak mam iść do sklepu po tyrystor
przy prądzie przemiennym taką sytuacje mamy 100 razy w ciągu sekundy gdy faza jest w zerze
co do sterowania z mikrokomputera to proponuję zastosować dodatkowo optoizolację np optotriak z włączaniem w zerze
pozdrawiam jarobo
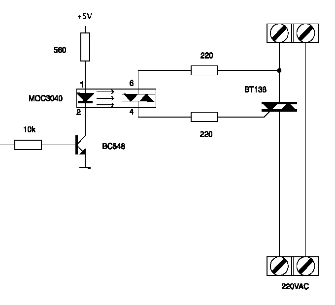
dodaje schemat
- Załączniki
-
- triak.png
- schemat
- (2.24KiB)Pobrany 212 razy
Ostatnio zmieniony 14 kwie 2006, o 21:39 przez jarobo, łącznie zmieniany 1 raz.
Mała uwaga, co do zastosowania triaka (tyrystora chyba też) w układach niskiego napięcia.
Elementy tego typu mają stały i wcale nie mały spadek napiecia Vt w stanie włączenia.
Dla przykładu dla BT136 producent podaje, że jest to średnio 1,4V a może dochodzić do 1,7V. Spadek napięcia o 1,4V przy 12V to ponad 10%. To tylko żarówka ale ....
Oczywiście powyższe rozważania tyczą się włączenia triaka po stronie wtórnej transformatora zasilającego. Przy włączeniu sterowania po stronie uzwojenia pierwotnego różnice będą pomijalne.
Pomyślałem o sterowaniu po stronie wtórnej ponieważ rozważasz zastosowanie procka a ten jakoś musi być zasilany.
Pozdrawiam,
Adam.
Elementy tego typu mają stały i wcale nie mały spadek napiecia Vt w stanie włączenia.
Dla przykładu dla BT136 producent podaje, że jest to średnio 1,4V a może dochodzić do 1,7V. Spadek napięcia o 1,4V przy 12V to ponad 10%. To tylko żarówka ale ....
Oczywiście powyższe rozważania tyczą się włączenia triaka po stronie wtórnej transformatora zasilającego. Przy włączeniu sterowania po stronie uzwojenia pierwotnego różnice będą pomijalne.
Pomyślałem o sterowaniu po stronie wtórnej ponieważ rozważasz zastosowanie procka a ten jakoś musi być zasilany.
Pozdrawiam,
Adam.
-
Upi
Wielki dzięki za rady .
Skorzystam ze schematu zaproponowanego przez jarobo . Triak w połączeniu z optotriakiem to sensowne rozwiązanie. Poszperałem w internecie i znalazlem sterowanie temperaturą w akwarium. Układ do załączania grzałki też wykorzystywal triaka i optotriaka.
Zatem jak podłącze na wejściu rezystora 10k wyjście mikrokontrolera to stanami niskim i wysokim bedę mogł sterwać przeplywem prądu ,,, chyba dobrze to zrozumiałem ?
Skorzystam ze schematu zaproponowanego przez jarobo . Triak w połączeniu z optotriakiem to sensowne rozwiązanie. Poszperałem w internecie i znalazlem sterowanie temperaturą w akwarium. Układ do załączania grzałki też wykorzystywal triaka i optotriaka.
Zatem jak podłącze na wejściu rezystora 10k wyjście mikrokontrolera to stanami niskim i wysokim bedę mogł sterwać przeplywem prądu ,,, chyba dobrze to zrozumiałem ?
- Futrzaczek
- -

- Posty:782
- Rejestracja:4 gru 2005, o 17:48
- Lokalizacja:Piotrków Tryb
- Kontaktowanie:
-
Upi
mikrokomputer ma na wyjściu 3.5V napięcia stałegodobrze zrozumiałeś jeśli mikrokomputer ma na wyjściu stan wysoki ~5V i obciążalność wyjścia na to pozwala
Kupiłem już potrzebne elementy , w najbliższych dniach postaram się zmontować i dam znać czy działa.
[ Dodano: 19-04-2006, 15:28 ]
Zmontowałem układ i działa . Na wejście nie podaję napięcia 5V a 3.6 . Z portu mikrokontrolera podaję napięcie w granicach 3.6V.
Efekt jest taki jaki chciałem aby był , mogę włączać i wyłączać lampkę.
Dzięki wszystkim za pomoc , a wszczególności dla jaroba.
Kto jest online
Użytkownicy przeglądający to forum: Obecnie na forum nie ma żadnego zarejestrowanego użytkownika i 25 gości



