Witam,
Zastanawia mnie coś takiego:
Czy można wykonać urządzenie (na buforach z serii 74xxxx) które było by swoistym trójnikiem który odbierając dane z portu przyłączonego do kompa wysyłał je jednocześnie na 2 wyjścia (na zasadzie klonowania danych). Czy jest to możliwe (komputer wyłącznie wysyła dane)
pozdrawiam
Aktyw Forum
Zarejestruj się na forum.ep.com.pl i zgłoś swój akces do Aktywu Forum. Jeśli jesteś już zarejestrowany wystarczy, że się zalogujesz.
Sprawdź punkty Zarejestruj sięRS232- dziwny problem:)
Moderatorzy:Jacek Bogusz, Moderatorzy
- dsrecordss
- -

- Posty:300
- Rejestracja:30 lip 2004, o 16:08
- Lokalizacja:Żory
- Kontaktowanie:
- dsrecordss
- -

- Posty:300
- Rejestracja:30 lip 2004, o 16:08
- Lokalizacja:Żory
- Kontaktowanie:
Re: RS232- dziwny problem:)
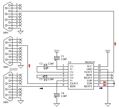
jeżeli jest to transmisja asynchroniczna, bez żadnej kontroli przepływu danych,Czy jest to możliwe (komputer wyłącznie wysyła dane)
czyli z wykorzystaniem tylko i wyłącznie GND i TxD - to schemat w załączniku.
To taki aktywny rozgałęźnik linii TxD, równie dobrze można po prostu spiąć na krótko
odpowiednie piny w złączu DB9. Rozwiązanie z '232 jest o tyle dobre,
że niejako separuje sygnały wyjsciowe, zwarcie na jednym wyjściu
nie spowoduje (tak sądzę) zakłóceń w pracy drugiego.
Kostkę MAX232 możesz zamówić jako sampla od f-my Maxim.
Mam nadzieję, że nie poprzestawiałam pinów Txd i Rxd (2 i 3 złącza DB9)...
- dsrecordss
- -

- Posty:300
- Rejestracja:30 lip 2004, o 16:08
- Lokalizacja:Żory
- Kontaktowanie:
Kto jest online
Użytkownicy przeglądający to forum: Obecnie na forum nie ma żadnego zarejestrowanego użytkownika i 26 gości

