Aktyw Forum
Zarejestruj się na forum.ep.com.pl i zgłoś swój akces do Aktywu Forum. Jeśli jesteś już zarejestrowany wystarczy, że się zalogujesz.
Sprawdź punkty Zarejestruj sięZasilanie laptopa w samochodzie
Moderatorzy:Jacek Bogusz, Moderatorzy
- dsrecordss
- -

- Posty:300
- Rejestracja:30 lip 2004, o 16:08
- Lokalizacja:Żory
- Kontaktowanie:
Witam,
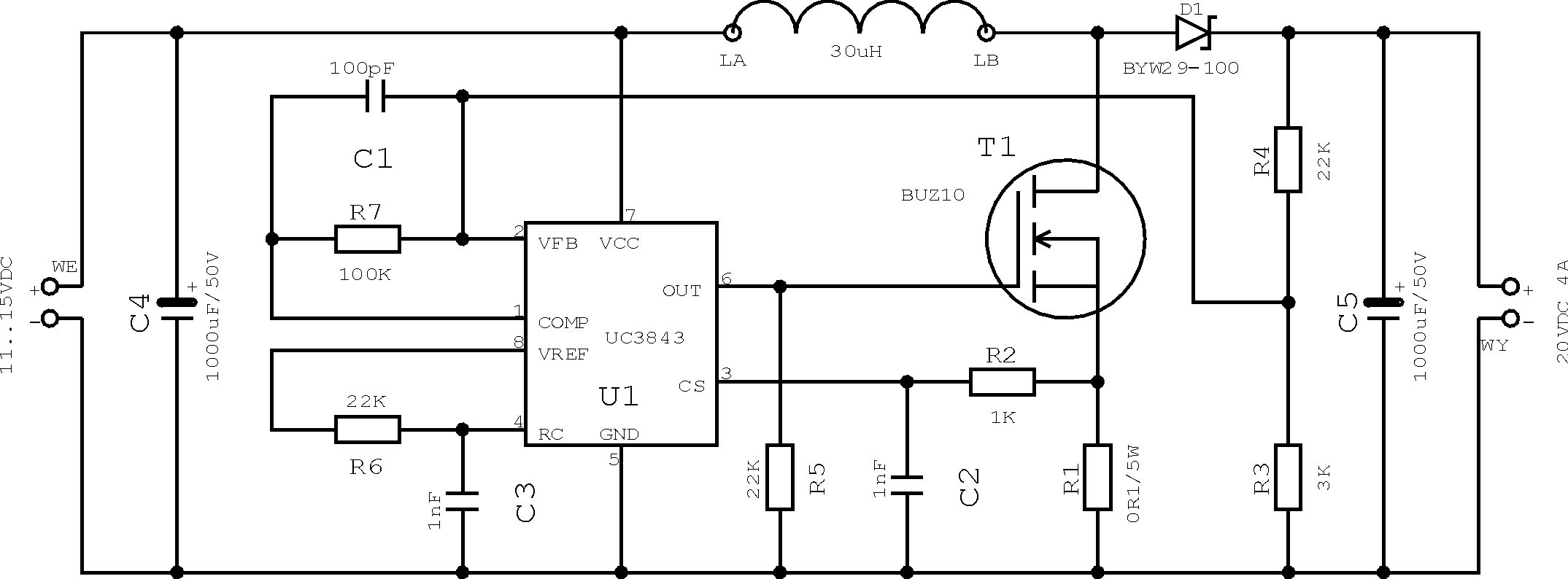
Zostałem zobowiązany do wykonania zasilacza do laptopa, który odda 20V 3,5A zasilając się z gniazda zapalniczki w samochodzie (napięcie stałe=12V). User sova przedłożył mi schemat który znajduje się w załączniku. Przetwornica ta po podaniu na wejście 12V przetwarza je na +-12V (czyli można osiągnąć 24V). Pracuje ona na częstotliwości 20kHz.
Pytanie moje brzmi następująco: Czy częstotliwość ta nie zaszkodzi laptopowi? Czym wystabilizować z 24V 20V przy prądzie ok 3,5A? Wszelkie stabilizatory jakie znam (np. LM317) są za słabe do tego celu. Czy ktoś ma jakieś pomysły?
serdecznie dziękuję z góry za odpowiedź
pozdrawiam
Dawid S.
Zostałem zobowiązany do wykonania zasilacza do laptopa, który odda 20V 3,5A zasilając się z gniazda zapalniczki w samochodzie (napięcie stałe=12V). User sova przedłożył mi schemat który znajduje się w załączniku. Przetwornica ta po podaniu na wejście 12V przetwarza je na +-12V (czyli można osiągnąć 24V). Pracuje ona na częstotliwości 20kHz.
Pytanie moje brzmi następująco: Czy częstotliwość ta nie zaszkodzi laptopowi? Czym wystabilizować z 24V 20V przy prądzie ok 3,5A? Wszelkie stabilizatory jakie znam (np. LM317) są za słabe do tego celu. Czy ktoś ma jakieś pomysły?
serdecznie dziękuję z góry za odpowiedź
pozdrawiam
Dawid S.
- Załączniki
-
- kondensatorowa przetwornica do samochodowych wzmacniaczy mocy.rar
- (88.17KiB)Pobrany 214 razy
- Futrzaczek
- -

- Posty:782
- Rejestracja:4 gru 2005, o 17:48
- Lokalizacja:Piotrków Tryb
- Kontaktowanie:
W sprawie stabilizacji tego to się już mogę wypowiedzieć 
Potrzebujesz:
- dioda Zenera 20V / 0,5W
- rezystor ze wzoru na obrazku
- tranzystor mocy NPN albo lepiej Darlington
- radiator z aktywnym chłodzeniem
napięcie wyjściowe będzie o ok. 0,7V niższe niż na Zenerze napisali. Ale w praktyce mam o ok. 0,4V niższe
Potrzebujesz:
- dioda Zenera 20V / 0,5W
- rezystor ze wzoru na obrazku
- tranzystor mocy NPN albo lepiej Darlington
- radiator z aktywnym chłodzeniem
napięcie wyjściowe będzie o ok. 0,7V niższe niż na Zenerze napisali. Ale w praktyce mam o ok. 0,4V niższe
- Załączniki
-
- w032.jpg (6.32KiB)Przejrzano 6769 razy
Ja Dawid nadal uważam, że jeśli istnieje możliwość wpływania tej częstotliwości na notebooka, to zrób ją poprostu na czestotliwości 100Hz(czest. wyprostowanej sinusoidy 50Hz), urządzenie będzie przystosowane do takich. Teraz zauważ, że nie potrzeba Ci stablilizacji na końcu, czyli za przetwornicą, bo jeśli dasz napięcie 10V na wejście, to otrzymasz +-10V, czyli 20V na wyjściu, kondensatory elektrolityczne których musisz dać sporo, odfiltruja dobrze, kondensatory 100n dodatkowo wspomogą wcześniej wymienione. A co do 10V, nie musisz nawet stosować stablizatora przez przetwornicą, daj dzielnik napięcia, tak aby pomiedzy dwoma rezystorami otrzymać te 10V. Pamiętać musisz jednak, że w trakcie pracy samochodu napięcie jest wyższe o około 2 V, dzielink juz niestety tego nie załatwi, jeśli to ma Ci przeszkadzać, jesteś zmuszony zastosować stablizator napięcia, ale przed, a nie po(mniej, taniej, lepiej, łatwiej). Jednan musisz sie upewnić jaki max prąd może oddać taki stablizator, jeśli prąd będzie za duży, zastosuj dwa lub trzy równolegle
.
Witam
Proponowany schemat przedstawia w zasadzie nie przetwornicę a powielacz napięcia dużej mocy. Teoretycznie można by wstawić dwie diody dużej mocy pomi edzy zasilanie a żródło tranzystora T1.
Wtedy napięcie wyjściowe przy pracy luzem powinno być ok 20v i spadać przy obciązeniu do ok 18V.
Problem polega na tym iz w samochodzie praktycznie nigdy nie występuje 12V ( chyba tylko na rozładowanym akumulatorze). Wrzeczywistości mjest ta 13- 14V przy pracy silnika , a przy źle ustawionym regulatorze potrafi przekroczyć 14,5V.
Wtedy na wyjściu powielacza będzie około 28V. Po wyłączeniu silnika samochodu napięcie na akumulatorze obniży się do 12,5V - daje to na wyjściu powielacza 25V, przy pełnym obciążeniu spadnie do 21-22V
Jak widać zmainy napiecia będą duże i nie dadzą sie prosto wyeliminować.
W tej sytuacji nie wiem czy nie było by bardziej ekonomiczne zastosowanie nieco bardziej skomplikowanej przetwornicy z wbudowaną stabilizacją - ale to tylko sugestia.
Proponowany schemat przedstawia w zasadzie nie przetwornicę a powielacz napięcia dużej mocy. Teoretycznie można by wstawić dwie diody dużej mocy pomi edzy zasilanie a żródło tranzystora T1.
Wtedy napięcie wyjściowe przy pracy luzem powinno być ok 20v i spadać przy obciązeniu do ok 18V.
Problem polega na tym iz w samochodzie praktycznie nigdy nie występuje 12V ( chyba tylko na rozładowanym akumulatorze). Wrzeczywistości mjest ta 13- 14V przy pracy silnika , a przy źle ustawionym regulatorze potrafi przekroczyć 14,5V.
Wtedy na wyjściu powielacza będzie około 28V. Po wyłączeniu silnika samochodu napięcie na akumulatorze obniży się do 12,5V - daje to na wyjściu powielacza 25V, przy pełnym obciążeniu spadnie do 21-22V
Jak widać zmainy napiecia będą duże i nie dadzą sie prosto wyeliminować.
W tej sytuacji nie wiem czy nie było by bardziej ekonomiczne zastosowanie nieco bardziej skomplikowanej przetwornicy z wbudowaną stabilizacją - ale to tylko sugestia.
- dsrecordss
- -

- Posty:300
- Rejestracja:30 lip 2004, o 16:08
- Lokalizacja:Żory
- Kontaktowanie:
Witam,
Nie mam możliwości regulowania napięcia wejściowego- prąd pobierany przez układ jast większy niż oddawany więc prościej regulować na wyjściu;) Postanowiłem wykonać układ taki jaki poradzono mi na elektrodzie i jest już wypróbowany przez kilka osób. Co wy na to? Wybrać ta przetwornicę kondensatorową czy ten ze schematu w załączniku? (pochodzenie forum elektroda.pl)
pozdrawiam
Nie mam możliwości regulowania napięcia wejściowego- prąd pobierany przez układ jast większy niż oddawany więc prościej regulować na wyjściu;) Postanowiłem wykonać układ taki jaki poradzono mi na elektrodzie i jest już wypróbowany przez kilka osób. Co wy na to? Wybrać ta przetwornicę kondensatorową czy ten ze schematu w załączniku? (pochodzenie forum elektroda.pl)
pozdrawiam
- Futrzaczek
- -

- Posty:782
- Rejestracja:4 gru 2005, o 17:48
- Lokalizacja:Piotrków Tryb
- Kontaktowanie:
- dsrecordss
- -

- Posty:300
- Rejestracja:30 lip 2004, o 16:08
- Lokalizacja:Żory
- Kontaktowanie:
chyba juz koledzy wszytko ci wyłożyli.... ja tylko dołoże retoryczne pytanie czy opłaca sie to robić.... popatrz sobie na allegro
taki zasilacz kosztuje mniej niż 140 zł:) wiec moim zdaniem szkoda zachodu.....
http://www.allegro.pl/show_item.php?item=82208124
http://www.allegro.pl/show_item.php?item=82208124
- dsrecordss
- -

- Posty:300
- Rejestracja:30 lip 2004, o 16:08
- Lokalizacja:Żory
- Kontaktowanie:
Dla mnie cała sprawa jest bardzo opłacalna. W zasilacz będzie jeszcze wbudowany drugi zasilacz do Play Station.... No cóż klient nasz pan... Zadzwoniłem do elektronicznego i częsci razem z płytką wyjdą mnie poniżej 20zł do tego obudowa czyli jakieś 15zł co daje nam 35zł. Mysle że gra warta świeczki (coś zawsze sie zarobi;) )
Kto jest online
Użytkownicy przeglądający to forum: Obecnie na forum nie ma żadnego zarejestrowanego użytkownika i 68 gości
