Aktyw Forum
Zarejestruj się na forum.ep.com.pl i zgłoś swój akces do Aktywu Forum. Jeśli jesteś już zarejestrowany wystarczy, że się zalogujesz.
Sprawdź punkty Zarejestruj sięBD244 - prośba o pomoc(konkretne i zwięzłe pytanie)
Moderatorzy:Jacek Bogusz, Moderatorzy
Witam,
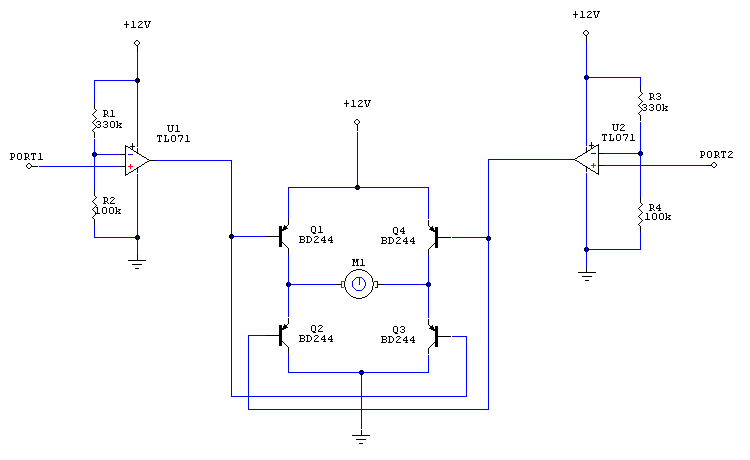
mam mały problem, a tranzystory to moja niezbyt mocna strona. Chcę zrobić sterowanie silnikiem prądu stałego 12V 1,5A ale nie jestem pewnien czy tak ma to wygladać. Na schemacie pokazałem jak bym to zrobił. Port 1 i Port 2 to nóżka AT89C2051. Na zero, czyli stan niski chciałbym, aby na silniku odkladala sie maksymalna możliwa moc. Jesli PORT1 zostanie spięty do masy(choć stan niski to chyba około 0,5V)chcialbym aby tranzystory Q1 i !3 zaczęły przewodzić, ale aby nie było na nich spadku napięcia. To samo jeśli PORT2 dostanie 0 na bazy, aby tranzystory Q4 i Q2 zaczęły przewodzić aby nie było na nich spadku napięcia. Spadki napięcia zabiarałyby mi moc przeznaczoną na silnik, dlatego chciałbym aby ich nie było. Czy połączenie jak na schemacie zadziała tak jak chcę?
Bardzo proszę o pomoc
mam mały problem, a tranzystory to moja niezbyt mocna strona. Chcę zrobić sterowanie silnikiem prądu stałego 12V 1,5A ale nie jestem pewnien czy tak ma to wygladać. Na schemacie pokazałem jak bym to zrobił. Port 1 i Port 2 to nóżka AT89C2051. Na zero, czyli stan niski chciałbym, aby na silniku odkladala sie maksymalna możliwa moc. Jesli PORT1 zostanie spięty do masy(choć stan niski to chyba około 0,5V)chcialbym aby tranzystory Q1 i !3 zaczęły przewodzić, ale aby nie było na nich spadku napięcia. To samo jeśli PORT2 dostanie 0 na bazy, aby tranzystory Q4 i Q2 zaczęły przewodzić aby nie było na nich spadku napięcia. Spadki napięcia zabiarałyby mi moc przeznaczoną na silnik, dlatego chciałbym aby ich nie było. Czy połączenie jak na schemacie zadziała tak jak chcę?
Bardzo proszę o pomoc
- Załączniki
-
- klucz.GIF (3.81KiB)Przejrzano 9238 razy
A czy tak zadziała? Jeśli na PORT1 lub PORT2 podam 5V to komparator na wyjściu ustala 12V co blokuje tranzystory, jednak jeśli około 0,5V to ustala stan niski, co odblokowywuje tranzsytory. Jeśli nic nie pomieszałem z tymi komparatorami to wg mnie tranzystory teraz powinny działać jako klucze i nie powinno być żadnych spadków napięcia na ich, żadnych strat mocy. Czy będzie teraz działac jak należy?
- Załączniki
-
- klucz.GIF (5.93KiB)Przejrzano 9210 razy
Witam!
Wszystko wygląda dobrze oprócz tego że nie wolno zapomnieć o rezystorach ograniczających prąd bazy tranzystorów!!!
[ Dodano: 25-01-2006, 21:48 ]
A i jeszcze jedna sprawa!
Ten tranzystor ma zbyt małe wzmocnienie prądowe żeby mógł być tak sterowany!!!
Jeżeli prąd kolektora ma wynosić ok. 1,5 A to minimalny prąd sterujący Jb = 100 mA!!!
Te wzmacniacze op. sie wiec nie nadają napewno!
Wszystko wygląda dobrze oprócz tego że nie wolno zapomnieć o rezystorach ograniczających prąd bazy tranzystorów!!!
[ Dodano: 25-01-2006, 21:48 ]
A i jeszcze jedna sprawa!
Ten tranzystor ma zbyt małe wzmocnienie prądowe żeby mógł być tak sterowany!!!
Jeżeli prąd kolektora ma wynosić ok. 1,5 A to minimalny prąd sterujący Jb = 100 mA!!!
Te wzmacniacze op. sie wiec nie nadają napewno!
Fajnie, to tak też zrobie
. Pomógłbyś mi z tymi rezystorami? Potrzeba mi dla tego silnika 1,5A. Aby sie zabezpieczyć, przed tymi nieszczęsnymi spadkami napięcia na tranzystorach dajmy od serca, że Ic bedzie wynosić 3 ampery(bo tak naprawdę nie wiemy czy ten silnik ma taki opór - 12V/1,5A=8ohm - zawsze może mieć mniejszy więc sie zabezpieczmy). Teraz jaki rezystor trzeba dać przed bramkami, aby na tranzystory Q1, Q2, Q3, Q4 nie ograniczyły prądu poniżej tych 3A? Tego już niestey nie potrafie sam zrobić obliczyć
[ Dodano: 25-01-2006, 22:11 ]
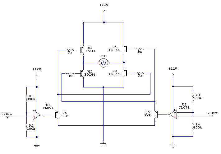
Pomyślałem sobie, że można to zrobić równie dobrze tak jak na schemacie. Dwie pieczenie na jednym ogniu, bo i opamp nie musi już wydawać dużego prądu i mamy ograniczenie prądu baz Q1, Q2, Q3, Q4. Tranzystory Q5 i Q6 to tranzystory małej mocy, a Rx będzie ograniczał prąd kolektorów TYCH tranzystorów. Teraz prąd kolektorów tych tranzystorów równy musi być 2xprąd bazy tranzystorów BD244(dla 3A pradu kolektora tranz. BD244). Tylko te Rx i odpowiedni prąd bazy BD144 - sam nie potrafie tego zrobić, pomógłbyś mi z tym?
[ Dodano: 25-01-2006, 22:11 ]
Pomyślałem sobie, że można to zrobić równie dobrze tak jak na schemacie. Dwie pieczenie na jednym ogniu, bo i opamp nie musi już wydawać dużego prądu i mamy ograniczenie prądu baz Q1, Q2, Q3, Q4. Tranzystory Q5 i Q6 to tranzystory małej mocy, a Rx będzie ograniczał prąd kolektorów TYCH tranzystorów. Teraz prąd kolektorów tych tranzystorów równy musi być 2xprąd bazy tranzystorów BD244(dla 3A pradu kolektora tranz. BD244). Tylko te Rx i odpowiedni prąd bazy BD144 - sam nie potrafie tego zrobić, pomógłbyś mi z tym?
- Załączniki
-
- klucz.GIF (6.54KiB)Przejrzano 9192 razy
Jak ma to wszytko wyglądać to ja chyba wiem, jednak jest problem, że nie wiem jak mam odczytać ten prąd bazy z katalogu. Uważam, że nie ma sensu dawać max możliwego, bo to nawet marnotrawienie prądu i pieniędzy
. Poniżej dołączyłem wykres z katalogu BD244. Powiem szczerze, że nie potrafie odczytywać z tych logarytmicznych skali nic
. Rozumiem, że tranzystor pozostawie i skasujemy mu jedynie Rx, będzie działał jako klucz, a rx przestawimy w szereg do baz tranzystorów BD244(każdy jeden). Teraz obliczając ten rezystor musimy znać prąd bazy. Prąd bazy to:
Posługując sie prawem ohma obliczamy rezystor Rx znając prąd i napięcie
Problem jest w tym, że nie potrafie odczytać wzmocnienia prądowego beta dla prądu kolektora równego te ustalone 3A
.
[ Dodano: 26-01-2006, 09:50 ]
Chyba we wcześniejszych schematach zrobilem błąd. bazy tranzystorów pnp muszą być zwarte z masą aby tranzystor przewodził, a ja pomyliłem sie i rysowałem, że jak tranzystor sterujący zacznie przewodzić to bazy będą podłączone do 12V
. Poniżej schemat z poprawkami. Teraz jedynie te Rx i chyba po sprawie.
Kod: Zaznacz cały
Ic = Ib * beta => Ib = Ic / beta
Kod: Zaznacz cały
R = 12V / (Ic / beta) = 12V * beta / Ic
[ Dodano: 26-01-2006, 09:50 ]
Chyba we wcześniejszych schematach zrobilem błąd. bazy tranzystorów pnp muszą być zwarte z masą aby tranzystor przewodził, a ja pomyliłem sie i rysowałem, że jak tranzystor sterujący zacznie przewodzić to bazy będą podłączone do 12V
Witam
Przykro mi ale Twój układ już z założenia nie będzie m/ogł działąć.
Pierwszą sprawą jest fakt iż jeśli chcesz uzyskać minimalne spadki napięć na tranzystorach to musiałbyś je sterować ujemnym napięciem. Mianowicie przy założonym spadku 0v na przejściu kolektor - emiter ( co samo w sobie nie jest możliwe) i niezbednym do tego napięciu bazie rzędu 0.8-1V niższym niż napięcie emitera (tranzystor pnp) to wspomniane napięcie na bazie musiało by mieć - 0.8 do -1V ,czyli być ujemne. musisz do tego dodać spadek napięcia na rezystorach bazy - razem wyjdzie minus parę woltów.
Po drugie napięcie zatykające oba tranzystory musiało by mieć prawie 12V (dokładnie ponad 11,5V) , każde pośrednie powodowałoby iż górny tranzystor byłby w stanie aktywnym a dolny w stanie wyłaczonym - pomijając kłopoty z zapewnieniem tak szerokiego zakresu sterowania (wzmacniacz sterujący musiał by byc zasilany z napięcia dużo wyższego niż 12V) to nie zapewniłbyś odpowiednio szybkiego jego narastania.
W praktyce stosuje się do tego pary komplemantarne npn/pnp. Jednak i tu pozostaje sporo problemów z zapewnieniem aby NIGDY nie zdarzyła się sytuacja że oba tranzystory - górny i dolny - sa włączone jednocześnie. Pamiętaj o takich zjawiskach jak pojemności złączowe czy teżich fizyczna interpretacja czyli czas wyciągania nośników z obszaru złącza.
Najlepiej poszukać gotowego ukłądu. Z tego co pamiętam można było kupić w cenie paru zł np BA6219 f-my ROHM .
No i ostatnia smutna wiadomość. Nigdy, z definicji nie mozna tak wysterować tranzystora aby spadek na nim wynosił 0V - zawsze pozostaje pewne minimalne napięcie które podawane jest w katalogach jako Vcesat (napiecie nasycenia) Dla BD244 wynosi ono ok 1,5V (Katalog mówi - nie większe niż...).
Troszkę teorii:
Tranzystor może pracować w trzech stanach -
1. Stanie zatkania, tzn że napięcie bazy jest tak małe iż NIE PŁYNIE prąd bazy i w związku z tym nie płynie prąd kolektora (oprócz prądów upływu).
2. Po zwiększeniu napięcia zaczyna się pojawiać prąd bazy i tranzystor przechodzi w stan aktywny - tj taki stan w którym prąd kolektora zależy od prądu bazy .
3.Jeżeli będziemy zwiększali prąd bazy to w pewnym momencie okaże się iż prąd kolektora osiągnie wartość której nie może już przekroczyć ze wzgledu na napięcie zasilania i oporność obciążenia. Zwiększjąc prąd bazy wchodzimy w stan nasycenia tzn prąd kolektora zależny jest tylko od zasilania i obciążenia a nie zależy od prądu bazy.
Jeśli przyjmiemy jakieś wzmocnienie prądowe HFE (duże litery FE oznaczają iż chodzi o wzmocnienie stałoprądowe) to możemy wyznaczyć graniczny prąd bazy dla którego prąd kolektora włąśnie osiąga swoją graniczną maksymalną wartość. Prad ten nazwiemy Ibsat .
Jeśli teraz prąd bazy będziemy dalej zwiększać to możemy określić tzw współczynnik nasycenia ( lub przesterowania) k.
Współczynnik k mówi ile razy wymuszony prąd bazy jest większy od prądu granicznego. W miarę wzrostu k rośnie bezpieczeństwo ukłądu (pewność ,że samorzutnie nie wyjdzie ze stanu nasycenia) lecz pogarszają się zależności energetyczne - tracona moc i sprawność.
Stan nasycenia definiuja IC, Ucesat i k.
W parktyce k= 2-5
Ucesat 0.2( tranzystory małej mocy) do 3V(dużej i b. dużej mocy)
Specjalne tranzystory do pracy w nasyceniu mają obniżżone Ucesat i często są oznaczane dodatkową literką A (mówimy o tranzystorach impulsowych).
Przepraszam za tą dawkę teorii ale z postów wywnioskowałem iż brakuje troszkę podstaw.
Przykro mi ale Twój układ już z założenia nie będzie m/ogł działąć.
Pierwszą sprawą jest fakt iż jeśli chcesz uzyskać minimalne spadki napięć na tranzystorach to musiałbyś je sterować ujemnym napięciem. Mianowicie przy założonym spadku 0v na przejściu kolektor - emiter ( co samo w sobie nie jest możliwe) i niezbednym do tego napięciu bazie rzędu 0.8-1V niższym niż napięcie emitera (tranzystor pnp) to wspomniane napięcie na bazie musiało by mieć - 0.8 do -1V ,czyli być ujemne. musisz do tego dodać spadek napięcia na rezystorach bazy - razem wyjdzie minus parę woltów.
Po drugie napięcie zatykające oba tranzystory musiało by mieć prawie 12V (dokładnie ponad 11,5V) , każde pośrednie powodowałoby iż górny tranzystor byłby w stanie aktywnym a dolny w stanie wyłaczonym - pomijając kłopoty z zapewnieniem tak szerokiego zakresu sterowania (wzmacniacz sterujący musiał by byc zasilany z napięcia dużo wyższego niż 12V) to nie zapewniłbyś odpowiednio szybkiego jego narastania.
W praktyce stosuje się do tego pary komplemantarne npn/pnp. Jednak i tu pozostaje sporo problemów z zapewnieniem aby NIGDY nie zdarzyła się sytuacja że oba tranzystory - górny i dolny - sa włączone jednocześnie. Pamiętaj o takich zjawiskach jak pojemności złączowe czy teżich fizyczna interpretacja czyli czas wyciągania nośników z obszaru złącza.
Najlepiej poszukać gotowego ukłądu. Z tego co pamiętam można było kupić w cenie paru zł np BA6219 f-my ROHM .
No i ostatnia smutna wiadomość. Nigdy, z definicji nie mozna tak wysterować tranzystora aby spadek na nim wynosił 0V - zawsze pozostaje pewne minimalne napięcie które podawane jest w katalogach jako Vcesat (napiecie nasycenia) Dla BD244 wynosi ono ok 1,5V (Katalog mówi - nie większe niż...).
Troszkę teorii:
Tranzystor może pracować w trzech stanach -
1. Stanie zatkania, tzn że napięcie bazy jest tak małe iż NIE PŁYNIE prąd bazy i w związku z tym nie płynie prąd kolektora (oprócz prądów upływu).
2. Po zwiększeniu napięcia zaczyna się pojawiać prąd bazy i tranzystor przechodzi w stan aktywny - tj taki stan w którym prąd kolektora zależy od prądu bazy .
3.Jeżeli będziemy zwiększali prąd bazy to w pewnym momencie okaże się iż prąd kolektora osiągnie wartość której nie może już przekroczyć ze wzgledu na napięcie zasilania i oporność obciążenia. Zwiększjąc prąd bazy wchodzimy w stan nasycenia tzn prąd kolektora zależny jest tylko od zasilania i obciążenia a nie zależy od prądu bazy.
Jeśli przyjmiemy jakieś wzmocnienie prądowe HFE (duże litery FE oznaczają iż chodzi o wzmocnienie stałoprądowe) to możemy wyznaczyć graniczny prąd bazy dla którego prąd kolektora włąśnie osiąga swoją graniczną maksymalną wartość. Prad ten nazwiemy Ibsat .
Jeśli teraz prąd bazy będziemy dalej zwiększać to możemy określić tzw współczynnik nasycenia ( lub przesterowania) k.
Współczynnik k mówi ile razy wymuszony prąd bazy jest większy od prądu granicznego. W miarę wzrostu k rośnie bezpieczeństwo ukłądu (pewność ,że samorzutnie nie wyjdzie ze stanu nasycenia) lecz pogarszają się zależności energetyczne - tracona moc i sprawność.
Stan nasycenia definiuja IC, Ucesat i k.
W parktyce k= 2-5
Ucesat 0.2( tranzystory małej mocy) do 3V(dużej i b. dużej mocy)
Specjalne tranzystory do pracy w nasyceniu mają obniżżone Ucesat i często są oznaczane dodatkową literką A (mówimy o tranzystorach impulsowych).
Przepraszam za tą dawkę teorii ale z postów wywnioskowałem iż brakuje troszkę podstaw.
- Futrzaczek
- -

- Posty:782
- Rejestracja:4 gru 2005, o 17:48
- Lokalizacja:Piotrków Tryb
- Kontaktowanie:
Witam!
Nie jestem może tak zaawansowany jak "stali bywalcy", ale chciałem zwrócić uwagę na tranzystory sterujące. Tak jak napisał gavi - warto użyć 2xNPN oraz 2xPNP. Nie tak dawno temu sie przejechałem na czymś takim - zrobiłem mostek "H" z samych PNP-ów i zasmrodziłem nimi mieszkanie - pomimo, iż były zabezpieczone(rezystor między E a B).
Radzę iść do sklepu i kupić jeszcze jakieś NPN oraz przerobić ew. płytkę - jeżeli już jest.
Nie jestem może tak zaawansowany jak "stali bywalcy", ale chciałem zwrócić uwagę na tranzystory sterujące. Tak jak napisał gavi - warto użyć 2xNPN oraz 2xPNP. Nie tak dawno temu sie przejechałem na czymś takim - zrobiłem mostek "H" z samych PNP-ów i zasmrodziłem nimi mieszkanie - pomimo, iż były zabezpieczone(rezystor między E a B).
Radzę iść do sklepu i kupić jeszcze jakieś NPN oraz przerobić ew. płytkę - jeżeli już jest.
Do tranzystorów to tak naprawdę jeszcze mi duzo brakuje
. Czytając kurs, widziałem już te wszytkie nazwy(oznaczenia), ale bez konkretnej lekcji to nie naucze sie tak szybko. Mam proźbę, czy jeśli wyraźnie wytłumaczyłem na czym polega sprawa, ktos pomógłby mi rysując schemat, jak miałbym to rozwiązać na tych tranzystorach(BD244) oraz tym silniku 12V 1,5A?
- Futrzaczek
- -

- Posty:782
- Rejestracja:4 gru 2005, o 17:48
- Lokalizacja:Piotrków Tryb
- Kontaktowanie:
Sova, a na jakim etapie zaawansowania stoisz? Chodzi mi oczywiście o tranzystory 
Tu masz schemacik. Tranzystory : 2xBD244 oraz 2xBD243
to jest moja propozycja
Rezystory dociągające do emiterów daj 2x większe niż te na bazę.
Teoretycznie może ich nie być, ale jestem przezorny
Więc trzeba będzie kupić jeszcze 2xBD243
Albo znajdziesz coś lepszego
Tu masz schemacik. Tranzystory : 2xBD244 oraz 2xBD243
to jest moja propozycja
Rezystory dociągające do emiterów daj 2x większe niż te na bazę.
Teoretycznie może ich nie być, ale jestem przezorny
Więc trzeba będzie kupić jeszcze 2xBD243
Albo znajdziesz coś lepszego
Ich zadaniem jest usunięcie nośników z bazy w momencje wyłączenia tranzystora. Inaczej mówiąc bardzo przyspieszają wyłączenie. Tak więc raczej muszą być.Sova, a na jakim etapie zaawansowania stoisz? Chodzi mi oczywiście o tranzystory
Rezystory dociągające do emiterów daj 2x większe niż te na bazę.
Teoretycznie może ich nie być, ale jestem przezorny![]()
Znów pozwolę sobie na małą dawkę teorii:
Mówiąc w pewnym uproszczeniu emiter i kolektor są oddzielone od siebie obszarem który zwykliśmy nazwać bazą. Jeśli prąd ma płynąć z emitera do kolektora ( lub odwrotnie, ze względu na typ tarnzystora) może to robić jedynie przechodząc przez obszar bazy - to jest taki pas graniczny "ziemi niczyjej" pomiędzy nimi- innej drogi nie ma. Jednakl aby ten prąd popłynął , w bazie muszą się znajdoweać nośniki tego prądu. Niestety, w tranzystorze bipolarnym to co dostarczymy do bazy jest zaraz "wyciągane " przez emiter, gdy tylko zacznie płynąć prąd w obwodzie kolektor - emiter . Dlatego nie wystarczy jednorazowo wstrzyknąć nośniki do obszaru bazy, a trzeba je dostarczać cały czas - stąd potrzebny jest prąd bazy - jest to ciągłe dostarczanie nośników do bazy tak aby mógł z kolei płynąć prąd kolektor - emiter. Tu zresztą widać różnicę w stosunku do tranzystorów polowych - one też mają bazę ale nośniki z niej nie są wyciągane - wystarczy jednorazowo je tam umieścić - nie jest potrzebny prąd bazy,
Wraccając do naszych tranzystorków bipolarnych, gdy przestanie płynąć prąd bazy czyli gdy przestajemy dostarczać nosniki do bazy w pierwszym momencie zostają jeszcze w jej obszarze te które dostarvzyliśmy ostatnio. Owszem zostana one wyciągnięte przez emiter tak jak mówiliśmy wcześniej , ale będzie to trwało pewną chwilę i prąd emiter- kolektor będzie zanikał stosunkowo powoli. Jeśli zewrzemy bazę i emiter dodatkowym rezystorem, popłynie prąd przeciwby do tego który włączał tranzystor. Jest to prąd baza -emiter składajacy się tylko z nosników w bazie. Spowoduje on bardzo szybkie opróznienie z nich bazy i w ten sposób szybkie wyłaczenie tranzystora.
Model który opisałem z konieczności jest uproszczony ( swojego czasu jego analiza zajęła mi 2 semestry) i oczywiście nie omawia zjawisk powodujących że prąd emiter-kolektor jest wielokrotnością prądu bazy, lecz do zrozumienia zasady pracy tranzystora powinien wystarczyć.
I jeszcze jedno - przebicie tranzystora to nic innego jak "przestrzelenie" się przez obszar bazy bezposrednio z emitera do kolektora. Wtedy nośniki płyną tym kanałem i nie zawracają sobie głowy tym co się dzieje obaok w bazie. To tak jak zrobienie tunelu poprzez "ziemię niczyją"
Bardzo obrazowo tłumaczysz, bardzo mi się dodoba, ale co najważniejsze rozumiem co mówisz. Jak się domyślam, powolne oddawanie nośników ładunków jest spowodowane pojemnością, której bardzo nie lubimy, a to, że prąd kolektor - emiter jest wielkorotnością pradu baza - emiter jest spowodowane tym, że ładunki elementarne zawsze mają tą sama wartość, nie ma ładunków pośrednich, więc n ładównków na b-e powoduje przepływ b*n na k-e. Czy dobrze to wywnioskowałem?
A co do układu - czestotliwość będzie bardzo mała, także nic nie stoi na przeszkodzie zastosować przekaźniki, tak też zrobiłem
.
A co do układu - czestotliwość będzie bardzo mała, także nic nie stoi na przeszkodzie zastosować przekaźniki, tak też zrobiłem
Mniej więcej tak. Z tym ,że w obszarze bazy rozkłąd nie jest równomierny , występują tzw bariery potencjału (związane z polaryzacją złącz) i cała teoria jest dużo bardziej skomplikowana i w dodatku dość nudna.
Co do przekaźników znakomity pomysł zbocznikuj tylko styki małymi pojemnosciami (nF)gaszącymi iskrzenia. Inaczej styki szybko się wypalą ( indukcyjność silnika)
Co do przekaźników znakomity pomysł zbocznikuj tylko styki małymi pojemnosciami (nF)gaszącymi iskrzenia. Inaczej styki szybko się wypalą ( indukcyjność silnika)
ja tak z praktyki dołoże... na bazach tranzystorów zrób proste jednostronne filtry RC.... idąc od wyprowadzenia bazy dajesz C i do masy a potem syganał idziee przez rezystor i diodę shottkego połaczone równolegle.... dioda zapewni ci błyskawiczne rozładowanie dla wyłaczenia a rezystor i C zapewnią chwilowe opuźnienie przy właczniu... zapobiegnie to chwiowemu zwarciu w obwodzie związanego z czasami zwłoki wyłaczania tranzystoró.... no i sporo mniejszy pobór prądu zwłaszcza przy szybkim PWMie
Kto jest online
Użytkownicy przeglądający to forum: Obecnie na forum nie ma żadnego zarejestrowanego użytkownika i 10 gości

