Aktyw Forum

Zarejestruj się na forum.ep.com.pl i zgłoś swój akces do Aktywu Forum. Jeśli jesteś już zarejestrowany wystarczy, że się zalogujesz.

Sprawdź punkty Zarejestruj się

Stycznik + przełącznik

Jano12
-
-
Posty:7
Rejestracja:15 kwie 2012, o 17:52
Stycznik + przełącznik

Postautor: Jano12 » 15 kwie 2012, o 18:37

Witam serdecznie mam mały problem a mianowicie...
mam siłownik elektryczny który posiada wyłączniki krańcowe chcę go podłączyć do okna w dachu w warsztacie za pomocą którego będę mógł otwierać i zamykać okno. Problem polega na tym, że nie chce zwykłego przełącznika włącznik/wyłącznik (np. po otwarciu okna zanim wcisnę włącznik zamykający muszę wyłączyć włącznik otwierający) tylko przełącznik chwilowy czyli po wciśnięciu i puszczeniu go on wraca na swoją pozycję ale siłownik pracuje aż osiągnie punkt docelowy.

Istnieje coś takiego ?? oczywiście jak zrobić to najmniejszym kosztem.

W sklepie mi podpowiedzieli by do przełącznika chwilowego podłączyć przekaźnik bistabilny lub jakiś inny przekaźnik, stycznik czy jakoś tak. :P

Z góry przepraszam za wszystko ale jestem raczkujący w elektronice więc prosiłbym o jasne wyjaśnienie :D

Xweldog
-
-
Posty:231
Rejestracja:16 sty 2009, o 16:40
Lokalizacja:Wrocław

Re: Stycznik + przełącznik

Postautor: Xweldog » 15 kwie 2012, o 20:07

Hey
Podaj coś bliżej a wykombinuje się jakieś rozwiązanie. Przede wszystkim, czy jak siłownik dojdzie do skrajnych położeń, to odpowiadające mu krańcowe się zwierają czy rozwierają.

Jano12
-
-
Posty:7
Rejestracja:15 kwie 2012, o 17:52

Re: Stycznik + przełącznik

Postautor: Jano12 » 15 kwie 2012, o 21:00

Wiesz co nie mam pojęcia zwierają czy rozwierają nie znam się za dobrze na tym ale podam Ci link na którym jest taki siłownik i link do instrukcji może coś to pomoże.

Link do aukcji z tym siłownikiem:
http://www.elektrobim.pl/silowniki-elek ... rpowerjack

link do instrukcji:
http://www.elektrobim.pl/attachments/ca ... R_JACK.pdf

Wybacz, że nie pomagam w tym ale tak jak już pisałem nie znam się za bardzo na tym (jeszcze) :P

000andrzej
-
-
Posty:375
Rejestracja:13 sie 2003, o 14:03
Lokalizacja:Kraków

Re: Stycznik + przełącznik

Postautor: 000andrzej » 15 kwie 2012, o 22:20

Ja to widzę tak - zasilanie DC 24V (lub inne takie jak dla kupionego silnika) na 2 przekaźniki z podtrzymaniem, krańcówki rozłączające podtrzymanie. Sterowanie 2 przyciskami załączającymi w zależności od kierunku. Dodatkowo 2 przyciski wyłączające, jakbyś chciał w połowie zatrzymać. Chyba, że chcesz na pilota to możesz kupić całą centralkę do bram 8)

Xweldog
-
-
Posty:231
Rejestracja:16 sty 2009, o 16:40
Lokalizacja:Wrocław

Re: Stycznik + przełącznik

Postautor: Xweldog » 15 kwie 2012, o 22:41

Ogólnie, to to co chyba wszyscy lubią. Link i czytaj, analizuj, rozgryzaj ect...
Tak jak zrozumiałem, Jano12 chce to sterować jednym włącznikiem. Podpierając się odpowiednio dwoma przekaźnikami i krańcówkami, układ powinien wyjść b.prosty ale - czy te krańcówki się rozwierają czy zwierają ? Bo od tego zależy schemat. W swych zasobach mam gdzieś prostego gotowca - ale to już nie dziś.

Jano12
-
-
Posty:7
Rejestracja:15 kwie 2012, o 17:52

Re: Stycznik + przełącznik

Postautor: Jano12 » 17 kwie 2012, o 10:04

Więc tak posiadam przełącznik chwilowy dokładnie taki:
http://www.eltronika.pl/Sklep/produkty/477-med2.jpg
i siłownik elektryczny z wyłącznikami krańcowymi (na 99% rozwiernymi). Chodzi mi o to, że jak wcisnę strzałkę w górę na chwile to siłownik będzie pracował aż do pełnego otwarcia a nie przestanie pracować jak tylko puszczę przycisk.
Z góry sorki za marudzenie ale chcę zrobić sam a nie kupować gotowca właśnie np. sterownik do bram z pilotami
Pozdrawiam.

Dodano po namyśle.
Aha bym zapomniał... przycisk oczywiście mogę zmienić zależy mi tylko by po wciśnięciu go na chwilę i puszczeniu wracał na swoją pozycję a nie zostawał wciśnięty

Dzięki za pomoc.

Gdy się czegoś zapomni, to zamiast pisać nowe posty warto edytować poprzedni i dodać zapomnianą frazę. Zaoszczędzi mi to pracy i poprawi atmosferę.
Pajączek.

Xweldog
-
-
Posty:231
Rejestracja:16 sty 2009, o 16:40
Lokalizacja:Wrocław

Re: Stycznik + przełącznik

Postautor: Xweldog » 17 kwie 2012, o 12:00

Takie coś zrobiłem kiedyś do bramy. Warunek: po dojściu do danego skrajnego położenia odpowiednia krańcówka musi się rozwierać. Przyciskasz przycisk na chwilę, odpowiedni przekaźnik załapuje i sam się podtrzymuje do czasu, aż go rozewrze druga krańcówka. Oczywiście, Zenerkę ( była na wszelki wypadek by chronić wyjście OC zdalnego sterowania ) można usunąć ale RC lub transila w pinach silnika radzę zostawić.
Załączniki
Okno.jpg

tg3a
-
-
Posty:243
Rejestracja:26 maja 2008, o 19:46
Lokalizacja:Warszawa

Re: Stycznik + przełącznik

Postautor: tg3a » 17 kwie 2012, o 14:31

Witam.
Takie coś zrobiłem kiedyś do bramy.
Ciekawe, jak wygląda start tego układu z pozycji pośredniej (gdy oba wyłączniki krańcowe są zwarte). Taka pozycja może powstać, jeślli w trakcie otwierania lub zamykania wystąpi przypadkiem zanik zasilania. Jeśli jeden z przekaźników reaguje wyraźnie szybciej, niż drugi, to sprawa jasna - przerwie on jemu obwód zasilania zapobiegając w ten sposób wyłączeniu zasilania sobie przez niego. Ale, jeśli oba są praktycznie równie szybkie, to co się dzieje? Czy nie ma ryzyka wzbudzenia się układu (działania obu przekaźników w układzie brzęczyka)? Przecież przekaźniki to urządzenia elektromechaniczne o niezerowej bezwładności. Jak to wygląda w praktyce?
Pozdrawiam.

Xweldog
-
-
Posty:231
Rejestracja:16 sty 2009, o 16:40
Lokalizacja:Wrocław

Re: Stycznik + przełącznik

Postautor: Xweldog » 17 kwie 2012, o 15:30

W praktyce nie robi się generator, zawsze jeden przekaźnik łapie szybciej. To jest wersja najprostsza z możliwych, o tym o czym wspomniałeś pomyślałem w wersji bardziej rozbudowanej. By zawsze po zaniku i pojawieniu się U włączało się zamykanie. Chodziło o zabezpieczenie się przed możliwością nieporządanego otwierania się drzwi na full.

000andrzej
-
-
Posty:375
Rejestracja:13 sie 2003, o 14:03
Lokalizacja:Kraków

Re: Stycznik + przełącznik

Postautor: 000andrzej » 17 kwie 2012, o 16:27

Widzę, że 2 przełączniki masz w 1 obudowie. Teraz wystarczy zmodyfikować układ (np załączania silnika na styczniku) i podłączyć przekaźnik (na jednym styku będzie podtrzymanie). Nie będę rysował, tu masz schemat do modyfikacji. http://www.zue.pwr.wroc.pl/download/lab_urzadzen/13.pdf
Zamiast stycnika - przekaźnik na 12V (lub 24, 36 - zależy jaki siłownik kupisz), zamiast PW - krańcówka, PZ - podłączasz jeden kierunek, Pt sobie daruj, bezpieczniki też (będziesz miał w zasilaczu), zamiast 3 styków stycznika wykorzystujesz jeden przekaźnika, drugi styk przekaźnika jako styk pomocniczy. To w jednym kierunku. W drugim analogicznie tylko zasilanie z drugiej pozycji włącznika na drugi przekaźnik, drugie połączenie do silnika, druga krańcówka.

Jano12
-
-
Posty:7
Rejestracja:15 kwie 2012, o 17:52

Re: Stycznik + przełącznik

Postautor: Jano12 » 18 kwie 2012, o 16:46

Dzięki Panowie za wyczerpujące odpowiedzi o coś takiego mi chodziło :D pozdrawiem serdecznie i jeszcze pewnie się odezwę.

000andrzej
-
-
Posty:375
Rejestracja:13 sie 2003, o 14:03
Lokalizacja:Kraków

Re: Stycznik + przełącznik

Postautor: 000andrzej » 18 kwie 2012, o 20:33

Jakby coś było nie jasne albo nie wychodziło to wal jak w dym. :)

Jano12
-
-
Posty:7
Rejestracja:15 kwie 2012, o 17:52

Re: Stycznik + przełącznik

Postautor: Jano12 » 19 kwie 2012, o 08:27

Witam ponownie mam jeszcze ogromną prośbę do Ciebie Xweldog jakbyś mógł jeszcze opisać te skróty typu PO, PZ, Ko, Kz itd. oraz te znaki i linie bo za bardzo nie kumam jeszcze co one oznaczają mimo, że starałęm się jakoś je rozszyfrować ale nie bardzo mi to wyszło.

000andrzej Twój pomysł muszę jeszcze dobrze obejrzeć i pomyśleć który będzie mi łatwiej i taniej wykonać
Pozdrawiam

Xweldog
-
-
Posty:231
Rejestracja:16 sty 2009, o 16:40
Lokalizacja:Wrocław

Re: Stycznik + przełącznik

Postautor: Xweldog » 19 kwie 2012, o 09:05

"P" = przekaźnik, "O / Z" = otwieranie / zamykanie. "K" = krańcówka a dalej odpowiedni indeks.
Przekaźnik DPDT to "dual pole dual throw" czyli: podwójny z dwoma stykami przełączalnymi. Do tego siłownika powinien nadawać się np. Relpol RM94 ze stykami na 8A lub tp.
Nie wiem o jakie linie Ci chodzi.

Jano12
-
-
Posty:7
Rejestracja:15 kwie 2012, o 17:52

Re: Stycznik + przełącznik

Postautor: Jano12 » 19 kwie 2012, o 09:50

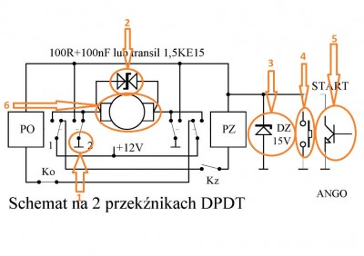
Domyślam się, że 1 - to masa, 2 - Dioda Schottky'ego, 3 - dioda zenera a 4 to mój przycisk czy 6 ? no i co oznaczają zaznaczone pozostałe numery ?
Aha no i gdzie się znajduje ten transil 1,5KE15 czy 100R+100nF
Wybacz za moją upierdliwość ;)
Załączniki
schemat 1.jpg
Co oznaczają zaznaczone miejsca

Xweldog
-
-
Posty:231
Rejestracja:16 sty 2009, o 16:40
Lokalizacja:Wrocław

Re: Stycznik + przełącznik

Postautor: Xweldog » 19 kwie 2012, o 10:20

Nie całkiem tak:
- 1 i 2 to styki przynależne do danego przekaźnika ( chyba jasne, że dla drugiego będzie tak samo ). Pin2 przekaźnika idzie do masy ( lub, jak kto woli, do minusa ) i wszystkie poziome kreski.
- 2 to transil na U odpowiednie do Uz ( lub szeregowo połączone RC )
- 3 dioda Zenera z której możesz zrezygnować
- 4 to Twój mechaniczny włącznik Start
- 5 może robić Start tak samo jak 4 ale np. z wyjścia zdalnego sterowania radiowego RC. RC często mają wyjścia kolektor / emiter ( lub źródło / dren ) tranzystora na różne napięcia. Dlatego tam nie zaszkodzi dioda Zenera jako zabezpieczenie. Ale w Twym wypadku to jest zbędne.
- 6 to silnik

Jano12
-
-
Posty:7
Rejestracja:15 kwie 2012, o 17:52

Re: Stycznik + przełącznik

Postautor: Jano12 » 19 kwie 2012, o 10:43

Aha no to pewnie sobie już poradzę wielkie dzięki pozdro.

Wróć do „Elektronika - tematy dowolne”

Kto jest online

Użytkownicy przeglądający to forum: Obecnie na forum nie ma żadnego zarejestrowanego użytkownika i 88 gości