Po długich poszukiwaniach informacji o temacie który mnie interesuje niestety utknąłem w martwym punkcie, dlatego proszę o pomoc.
Przebieg impulsów w czasie narysowałem na tym wykresie:

czyli: zwieram masę, układ generuje krótki impuls, rozłączam masę - znów układ generuje krótki impuls.
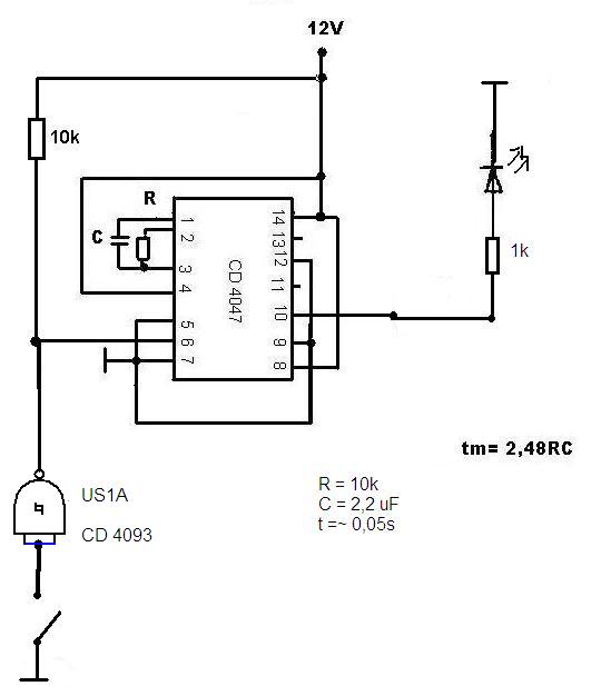
Znalazłem schemat, który dopasowałem nieco do moich potrzeb:

Jednak z opisów w temacie w którym go znalazłem wynika, że on generuje impuls tylko wtedy kiedy zwieramy wypr. 6 do masy.
Jak zrobić, aby układ wysyłał impuls także wtedy kiedy rozwieramy masę?
Ew. mogę zrobić dwa osobne układy i połączyć je równolegle.
Dziękuję za pomoc.

