witam mam problem ze wskaznikiem 
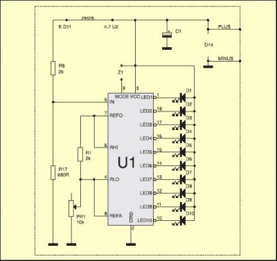
zamieszczony schemat jest to wskaznik napiecia akumulatora na płytke unuwersalna z avt pw-02 i prosiłbym o pomoc poniewarz na tym schemacie chciałebym zrobić wskaznik zasilany napieciem samochodowym czyli od 12-14,4v ale zeby wskaznik pokazywał napiecie w zakresie od 1,5-5v  
prosze o pomoc
				 
Aktyw Forum
Zarejestruj się na forum.ep.com.pl i zgłoś swój akces do Aktywu Forum. Jeśli jesteś już zarejestrowany wystarczy, że się zalogujesz.
Sprawdź punkty Zarejestruj sięwskaznik napiecia
Moderatorzy:Jacek Bogusz, Moderatorzy
Musisz odpowiednio dobrać dzielnik napięcia, czyli wartości rezystorów R8 i R17, zworę usunąć i dopiąć dzielnik do mierzonego napięcia łącząc masy układów...  Warto by też dodać jakiś kondensator filtrujący zakłócenia tak żeby diodki nie mrugały za bardzo, tj między R8 a R17 do masy kondensator elektrolityczny tak około 10uF /16V. Nie pomyl polaryzacji...
			Skoro i tak robisz do tego płytkę to najpro\ściej podać oddzielnie poprzez dzielniki napięciowe RLo=1,5V oraz RHi=5,0V. O wiele szybciek i prościej ustawić te oprogi potencjometrami niż budować na wyczucie drabinkę, no chyba że ktoś dysponuje całym szeregiem  E96 o0porników precyzyjnych o tolerancji 0,5%   wtedy można pobawić się w obliczenia.
 wtedy można pobawić się w obliczenia.
PS skoro napięcia referencyjne i tak trzeba stabilizować to najprościej na 5V, wtedy rhi masz bezpośrednio i pozostaje ci uzyskanie rlo=1,5v
Napięcie miertzone możesz wtedy podawać z pominięciem dzielnika (odpada błąd dzielnika)
Podaj oznaczenie tej linijki, trzeba zerknąć do noty , może tego stabilizatora nie potrzeba jeśli ma dobry wewnętrzny
			 wtedy można pobawić się w obliczenia.
 wtedy można pobawić się w obliczenia.PS skoro napięcia referencyjne i tak trzeba stabilizować to najprościej na 5V, wtedy rhi masz bezpośrednio i pozostaje ci uzyskanie rlo=1,5v
Napięcie miertzone możesz wtedy podawać z pominięciem dzielnika (odpada błąd dzielnika)
Podaj oznaczenie tej linijki, trzeba zerknąć do noty , może tego stabilizatora nie potrzeba jeśli ma dobry wewnętrzny
Kto jest online
Użytkownicy przeglądający to forum: Obecnie na forum nie ma żadnego zarejestrowanego użytkownika i 14 gości



