Witam,
Czy mikrokontroler taki jak Atmega168 może bez problemu współpracować z układem CMOS 4013? Czy jedno z wyjść uP można wykorzystać jako generator przebiegu prostokątnego?
Dziękuję za pomoc!
Aktyw Forum
Zarejestruj się na forum.ep.com.pl i zgłoś swój akces do Aktywu Forum. Jeśli jesteś już zarejestrowany wystarczy, że się zalogujesz.
Sprawdź punkty Zarejestruj sięMikrokontroler i 4013
Moderatorzy:Jacek Bogusz, Moderatorzy
Re: Mikrokontroler i 4013
Może, ale pod warunkiem, że częstotliwość taktowania 4013 nie przekroczy maksymalnej wartości. Typowa wartość max. przy zasilaniu 5V to około 5MHz. Jeżeli potrzebujesz większych prędkości, użyj rodziny 74HCTxx lub podobnej. Szczegółów szukaj w kartach katalogowych poszczególnych układów.Czy mikrokontroler taki jak Atmega168 może bez problemu współpracować z układem CMOS 4013?
W m168 służy do tego pin PB0 (alternatywna funkcja CLKO). Sygnał taktujący (ten sam, co napędza mikrokontroler) pojawi się na tej koncówce po zaprogramowaniu fusebitu CKOUT.Czy jedno z wyjść uP można wykorzystać jako generator przebiegu prostokątnego?
Re: Mikrokontroler i 4013
Nie można tego zrealizować programowo na każdym wyjściu? Myślałem, że wystarczy na przemian podawać 0 i 5 na wyjściu.W m168 służy do tego pin PB0 (alternatywna funkcja CLKO). Sygnał taktujący (ten sam, co napędza mikrokontroler) pojawi się na tej koncówce po zaprogramowaniu fusebitu CKOUT.
Najlepiej jak wytłumacze co chciałem zrobić.
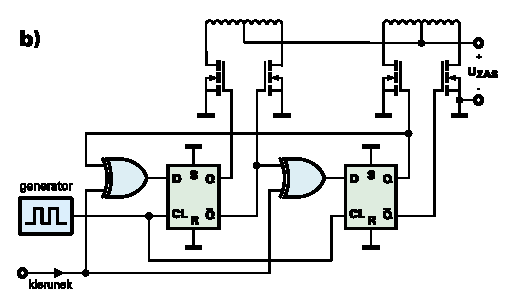
Na załączonym rysunku widać prosty sterownik silnika krokowego. Pomyślałem, że jeden pin z mikrokontrolera będzie dla kierunku a drugi jako generator. W ten sposób muszę wykorzystać tylko dwa wyjścia mikrokontolera na jeden silnik.
- Załączniki
-
- układ.gif (4.71KiB)Przejrzano 3075 razy
Opisałeś problem na tyle enigmatycznie, że w pierwotnej wersji nie dało się odpowiedzieć jednoznacznie. Oczywiście tak jak post wyżej da się taktować peryferia zewnętrzne, z tym że w najbardziej zoptymalizowanym hipotetycznym kodzie AVR nie wyciągniesz więcej niż uC_CLK/4 (i to w dodatku z wypełnieniem 25% lub 75%). W dodatku różnie może być z faktycznym wyrabianiem się uC, np. pewne wersje ARM'ow philipsa miały teoretyczne szybkie porty IO... na których jednak udawało się osiągnąć max kilka MHz (niecałe 3 o ile pamiętam). Oczywiście w Twoim przypadku taktowania silnika krokowego jest to i tak o co najmniej 3 rzędy wielkości za dużo.
Ps. generalnie w tej klasy uC jako generator zwykło się używać wyjść PWM, albo właśnie dedykowanych wyjść zegara uC.
Ps. generalnie w tej klasy uC jako generator zwykło się używać wyjść PWM, albo właśnie dedykowanych wyjść zegara uC.
Kto jest online
Użytkownicy przeglądający to forum: Obecnie na forum nie ma żadnego zarejestrowanego użytkownika i 92 gości


