Potrzebuje pomocy w opisaniu działania mostak współpracującego z przetwornikiem T100. Rozwiązanie pochodzi z niemieckiej komory klimatycznej. Zakres napięcia wyjściowego zmienia sie od 0 do 10 V, którego to graniczne wartości reguluje się oddzielnymi napięciami Uzd i Uzg /z zakresu 8.37 do 9.6 V/ - współzależnie.
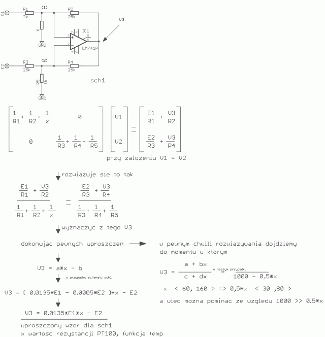
Schemat układu zamieszczam poniżej.
A teraz opiszę o co dokładnie mi chodzi.
Otóż, znalazłem w literaturze technicznej, że element V5 zabezpiecza wejścia wzmazniacza i że można takowy układ przeanalizować metodą superpozycji. Jednak nie znam tak dobrze działania i praktycznych zastosowań wzmacniaczy operacyjnych by samemu w ten sposób przeanalizować jak To działa.
Proszę Szanownych użytkowników Forum o wyjaśnienie jakie ma zadanie i wpływ na pracę układu dodatnie sprzężenie /rezystory R23 R24 R57/.
Przeglądając notę katalogową nie do końca zrozumiałem funkcję nóżki 8 /Iset/ w tym opamie UA776 alternatywnie B176/. Byłbym bardzo wdzięczny gdyby któryś Użytkownik dysponując jeszcze dodatkową chwilą udzielił odpowiedzi co ten Iset wprowadza /gdy jest zwarta ta nóżka do masy przez rezystor a co gdy wpływa do niej prąd/.
Dziękuje z góry Wszystkim którzy poświęcą swój czas na wyjaśnienie w/w wątku w Forum.

