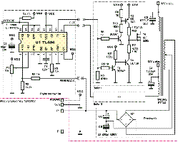
Zawsze myślałem, że przetwornica napięcia 12VDC - 230VAC - to przynajmniej 'ciut' skomplikowany problem. Aż wczoraj trafiłem na artykuł, ze schematem, jak w załączniku. Co prawda to jest UPS, ale... co za różnica
No i tak się zastanawiam... Jakiś czas temu poskładałem przetwornicę z Nowego Elektronika, 100W ( k-167 - http://www.nikomp.com.pl/zestawyK/K-167.htm ) z czterema IRFami, i, można powiedzieć kupą elektroniki. A wczoraj trafiłem na artykuł, jak w załączniku...
Jedno i drugie wydajność 100W, a jaka różnica w prostocie konstrukcji...!
A jakby chcieć ją (tą z załącznika przerobić na większą moc, np. 200W, dołączając 'równolegle' jeszcze dwa BUZ11, i większy transformator?
Ktoś dopowie coś mądrego do tematu?


