Aktyw Forum
Zarejestruj się na forum.ep.com.pl i zgłoś swój akces do Aktywu Forum. Jeśli jesteś już zarejestrowany wystarczy, że się zalogujesz.
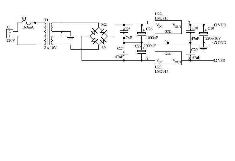
Sprawdź punkty Zarejestruj sięproszę o opisanie zasady działania tego układu zasilania
Moderatorzy:Jacek Bogusz, Moderatorzy
interesuje mnie za co odpowiedzialne są poszczególne elementy w tym układzie.
B1 - bezpiecznik; chroni przed przepływem nadmiernego prądu (w tym przypadku pow. 160mA),
T1 - transformator symetryczny dostarczający napięcia 2 x 16V
M2 - mostek prostowniczy (Graetza); służy do zamiany napięcia przemiennego w stałe,
Cx - kondensatory filtrujące napięcie,
U22 - stabilizator napięcia dodatniego (Vdd); utrzymuje stałe napięcie na wyjściu (Uwy = +15V) niezależnie od obciążenia układu i wahań napięcia wejściowego (Uwe), przy czym Uwe > Uwy,
U23 - jw, z tym że dla napięcia ujemnego (Vss)
T1 - transformator symetryczny dostarczający napięcia 2 x 16V
M2 - mostek prostowniczy (Graetza); służy do zamiany napięcia przemiennego w stałe,
Cx - kondensatory filtrujące napięcie,
U22 - stabilizator napięcia dodatniego (Vdd); utrzymuje stałe napięcie na wyjściu (Uwy = +15V) niezależnie od obciążenia układu i wahań napięcia wejściowego (Uwe), przy czym Uwe > Uwy,
U23 - jw, z tym że dla napięcia ujemnego (Vss)
Kto jest online
Użytkownicy przeglądający to forum: Obecnie na forum nie ma żadnego zarejestrowanego użytkownika i 84 gości

