Witam
Mam taki problem, mam zasilacz z którego wychodzą 2 napięcia jedno dodatnie drugie ujemne (około 25V). Muszę przełączać te dwa napięcia z dużą częstotliwością (2MHz).
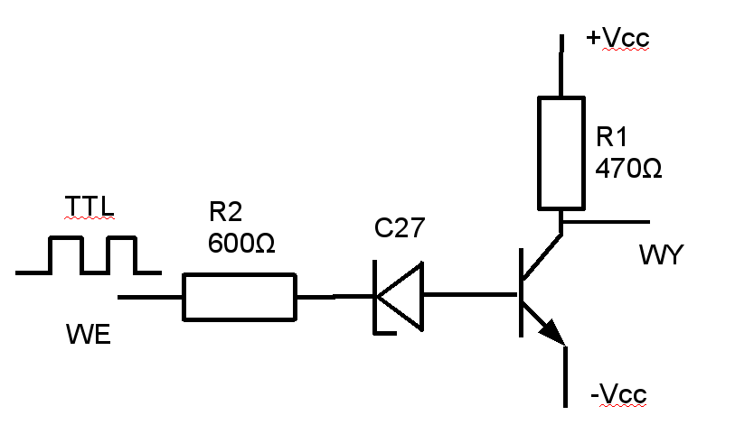
Zrobiłem taki układ jak na rysunku. Na wejście podaje sygnał TTL o częstotliwości 2MHz na +Vcc podaje +24V jeżeli na -Vcc podam około -21V to traznzystor zacznie się przełączać i na wyjściu będzie raz +Vcc a raz -Vcc. Problem jest w tym że jeżeli traznystorem jest BC547 to układ działa prawidłowo ale do częstotliwości ok 30kHz jeżeli dam tranzystor BC141 to wyciągne ok 70 kHz a przy tranzystorze 2N3553 około 300 kHz. Troche to za mało bo ja potrzebuje na wyjściu 2MHz. Czy ktoś wie jak można by to zrobic inaczej lub poprawić cos w tym układzie.
Z góry dzięki za pomoc.
Aktyw Forum
Zarejestruj się na forum.ep.com.pl i zgłoś swój akces do Aktywu Forum. Jeśli jesteś już zarejestrowany wystarczy, że się zalogujesz.
Sprawdź punkty Zarejestruj sięUkład przełączający dwa napięcia.
Moderatorzy:Jacek Bogusz, Moderatorzy
Jezeli chodzi o poprawe układu to np. tak
1 rezystor R1 zastap zrodlem pradowym np. lustro pradowe zbudowane na dwoch tranzystorach typu np. BC557
2 rownolegle z rezystorem R2 i dioda zenera dolacz kondensator o wartosci np. 1nF (wartosc dobierana doswiadczalnie)
to troche przyspieszy ten uklad, ale watpie czy da rade 2MHz
zmiana tranzystora malo tu da wiec nie szukaj
sorry za brak polskich znaczkow i brak schematu modyfikacji
1 rezystor R1 zastap zrodlem pradowym np. lustro pradowe zbudowane na dwoch tranzystorach typu np. BC557
2 rownolegle z rezystorem R2 i dioda zenera dolacz kondensator o wartosci np. 1nF (wartosc dobierana doswiadczalnie)
to troche przyspieszy ten uklad, ale watpie czy da rade 2MHz
zmiana tranzystora malo tu da wiec nie szukaj
sorry za brak polskich znaczkow i brak schematu modyfikacji
To nie wina tranzystora. Np 2N3553 chodzi do kilkuset MHz. Zamiast R1 widziałbym drugi tranzystor, np. komplementarny; zwłaszcza jeśli "z plusa" pobierasz znaczniejszy prąd. Cała tajemnica tkwi chyba w sterowaniu tranzystora. Niewielki kondensator równolegle z R2 nie zaszkodzi. W Twoim układzie przy podaniu "jedynki" z TTL tranzystor powinien być wysterowany, natomiast przy "zerze" z TTL tranzystor chyba nie za bardzo ma "ochotę" się wyłączyć; coś tam cieknie przez Zenerkę. Spróbowałbym dodać odpowiednio dobrany rezystor między bazą a -VCC, ale nie ręczę za efekty. Ta Zenerka chyba "nie jest kompetentna" w tym układzie. Ale generalnie tak prosty układ mi się nie podoba; prosiłby się jakiś układ dopasowujący poziomy naięć. Nie należy przesadzać z prostotą.
Cytat:
"Wszystko powinno być tak proste jak tylko to mażliwe. Ale nie prostsze." Einstein.
Cytat:
"Wszystko powinno być tak proste jak tylko to mażliwe. Ale nie prostsze." Einstein.
Kto jest online
Użytkownicy przeglądający to forum: Obecnie na forum nie ma żadnego zarejestrowanego użytkownika i 91 gości
