Aktyw Forum
Zarejestruj się na forum.ep.com.pl i zgłoś swój akces do Aktywu Forum. Jeśli jesteś już zarejestrowany wystarczy, że się zalogujesz.
Sprawdź punkty Zarejestruj sięJak połączyć 3xtda7318
Moderatorzy:Jacek Bogusz, Moderatorzy
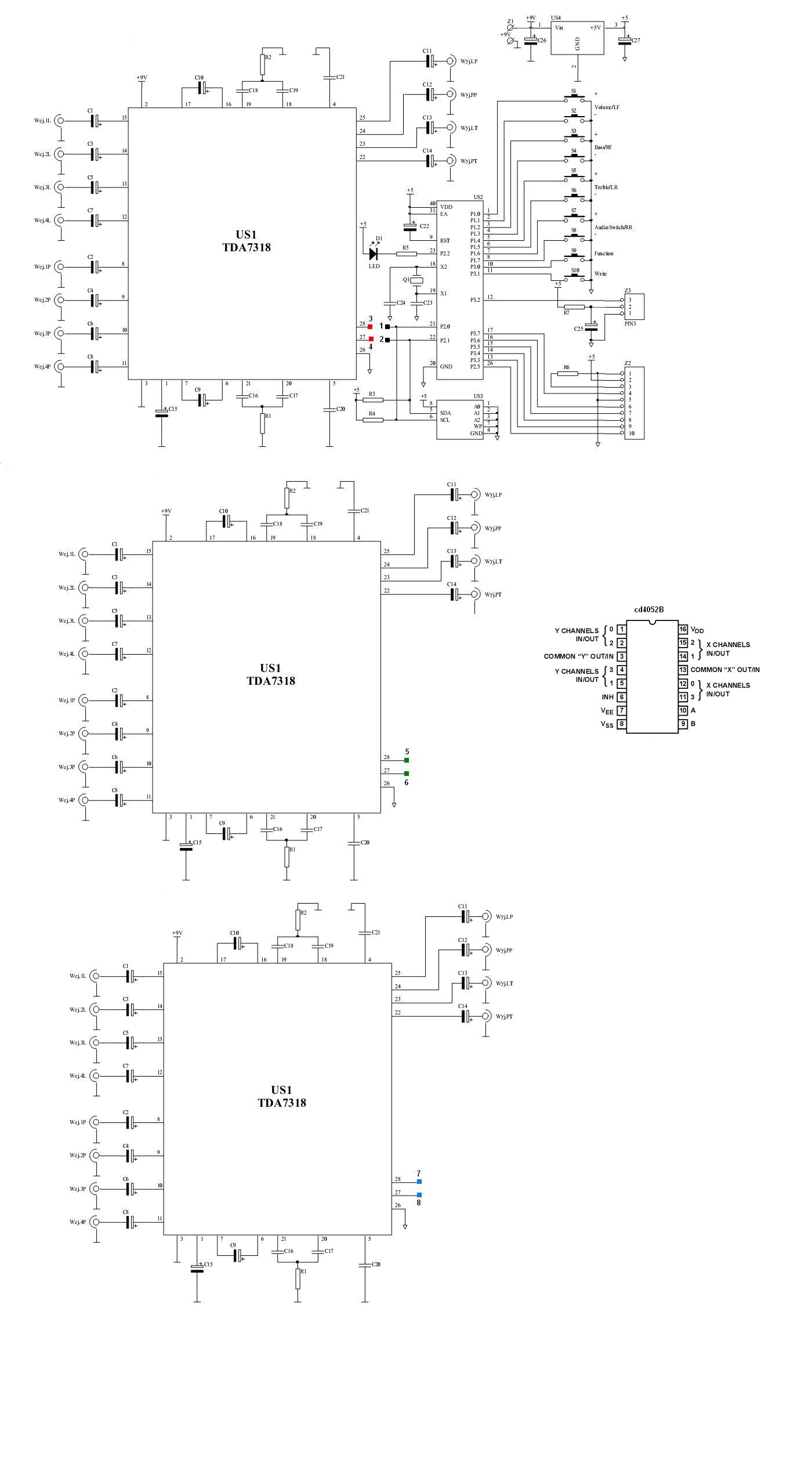
Na schemacie mam 3x tda7318 jak je mam połączyc jak uwzglednic to połaczenie w programie 
Poniewaz nie ma mozliwosci modyfikowania adresu ukladu TDA7318 nie da sie w prosty obsluzyc trzech takich ukladow za pomoca mikrokontrolera z pojedynczym I2C.
Mozliwosci sa takie:
- zastosowac ekspander jak np. http://www.standardics.philips.com/prod ... ca9518.pdf
lub
http://www.standardics.philips.com/prod ... a9516a.pdf
- zrobic go sobie na piechote (np. w oparciu o schemat blokowy PCA9518).
Sporo wiedzy na ten temat (i nie tyko) jest tu:
http://www.standardics.philips.com/supp ... /an255.pdf
Pzdr
PZb
Mozliwosci sa takie:
- zastosowac ekspander jak np. http://www.standardics.philips.com/prod ... ca9518.pdf
lub
http://www.standardics.philips.com/prod ... a9516a.pdf
- zrobic go sobie na piechote (np. w oparciu o schemat blokowy PCA9518).
Sporo wiedzy na ten temat (i nie tyko) jest tu:
http://www.standardics.philips.com/supp ... /an255.pdf
Pzdr
PZb
Jeżeli mogę......nie da sie w prosty obsluzyc trzech takich ukladow za pomoca mikrokontrolera z pojedynczym I2C.
Powyższe to prawda, jeżeli zakładamy sprzętową implementację mastera I2C w procesorze,
w przypadku programowej - wyjść I2C możesz mieć tyle, na ile Ci wystarczy wolnych portów I/O.
Z załączonego schematu wynika, że masz wolne bity P2.3, P2.4 oraz P2.6,P2.7
czyli akurat pod dwa alternatywne SDA i SCL - reszta to kwestia tylko i wyłącznie oprogramowania.
Można napisać sobie zdublowane (działające z innymi portami) niskopoziomowe
funkcje I2C (wysyłanie/odbieranie bitów, sekwencja start-stop), funkcjom bardziej
kompleksowym (wysyłanie całych bajtów/słów), podawać dane do obróbki oraz wskaźniki
na funkcje których należy użyć do komunikacji z wybranym w danej chwili sprzętem.
Inna droga to takie sparametryzowanie kodu do I2C, aby 'w locie' wybierać z którymi
bitami I/O procesora rozmawia. Nie wiem co łatwiejsze - trzeba po prostu siąść i spróbować to napisać.
Można też nieco przeorganizować schemat - od strony procesora dołączyć klucze CMOS
np. CD4066 i zrobić coś jakby rozgałęźnik I2C - wolnymi bitami MCU sterować do których
urządzeń ma trafiać strumień danych magistrali. W takim przypadku rezystory podciągające
sygnały I2C muszą być za kluczami (od strony peryferiów).
Oprogramowanie takiego rozwiązania będzie relatywnie prostsze, tak sądzę....
Jednak według mnie nie ma sensu rozdmuchiwać sprzętu, skoro coś można zrealizować programowo.
pozdrawiam,
tasza
jezeli tylko regulacja glosnosci (w systemach wieloanałowych najczesciej stosowane) to wystarczy TDA7448.W sumie chodzi mi o sterowanie 6 kanałami audio niestety nie znalazlem gotowego kita i głowie sie nad ty wydaje mi sie ze 3x7318 bedzie zbyt trudne do połącznia.Wiec jaki układ zastsować zamiast 7318 ze zmiennym adresem i2c lub sa może procki z kilkoma i2c
Fajna ta kostaka TDA7448 ale czy ja dostane w polskim sklepie ??? jak tak to w którym ??
troche tego nie rozumiem czyli nie potrzbeuje switchy itp wystarczy ze podłącze kostki do procka a resze załatwie w samaym programie ???
Kod: Zaznacz cały
Jeżeli mogę...
Powyższe to prawda, jeżeli zakładamy sprzętową implementację mastera I2C w procesorze,
w przypadku programowej - wyjść I2C możesz mieć tyle, na ile Ci wystarczy wolnych portów I/O.
Z załączonego schematu wynika, że masz wolne bity P2.3, P2.4 oraz P2.6,P2.7
czyli akurat pod dwa alternatywne SDA i SCL - reszta to kwestia tylko i wyłącznie oprogramowania.
Można napisać sobie zdublowane (działające z innymi portami) niskopoziomowe
funkcje I2C (wysyłanie/odbieranie bitów, sekwencja start-stop), funkcjom bardziej
kompleksowym (wysyłanie całych bajtów/słów), podawać dane do obróbki oraz wskaźniki
na funkcje których należy użyć do komunikacji z wybranym w danej chwili sprzętem.
Inna droga to takie sparametryzowanie kodu do I2C, aby 'w locie' wybierać z którymi
bitami I/O procesora rozmawia. Nie wiem co łatwiejsze - trzeba po prostu siąść i spróbować to napisać.
Można też nieco przeorganizować schemat - od strony procesora dołączyć klucze CMOS
np. CD4066 i zrobić coś jakby rozgałęźnik I2C - wolnymi bitami MCU sterować do których
urządzeń ma trafiać strumień danych magistrali. W takim przypadku rezystory podciągające
sygnały I2C muszą być za kluczami (od strony peryferiów).
Oprogramowanie takiego rozwiązania będzie relatywnie prostsze, tak sądzę....
Jednak według mnie nie ma sensu rozdmuchiwać sprzętu, skoro coś można zrealizować programowo.
Ostatnio zmieniony 10 mar 2006, o 16:04 przez kornik23, łącznie zmieniany 1 raz.
Fajna ta kostaka TDA7448 ale czy ja dostane w polskim sklepie ??? jak tak to w którym ??
dokładnie taktroche tego nie rozumiem czyli nie potrzbeuje switchy itp wystarczy ze podłącze kostki do procka a resze załatwie w samaym programie ???
Kto jest online
Użytkownicy przeglądający to forum: Obecnie na forum nie ma żadnego zarejestrowanego użytkownika i 91 gości



