Aktyw Forum

Zarejestruj się na forum.ep.com.pl i zgłoś swój akces do Aktywu Forum. Jeśli jesteś już zarejestrowany wystarczy, że się zalogujesz.

Sprawdź punkty Zarejestruj się

Programator AVR- kabel

marecki
-
-
Posty:390
Rejestracja:4 sie 2005, o 15:48
Lokalizacja:Sandomierz
Kontaktowanie:
Programator AVR- kabel

Postautor: marecki » 9 paź 2005, o 12:05

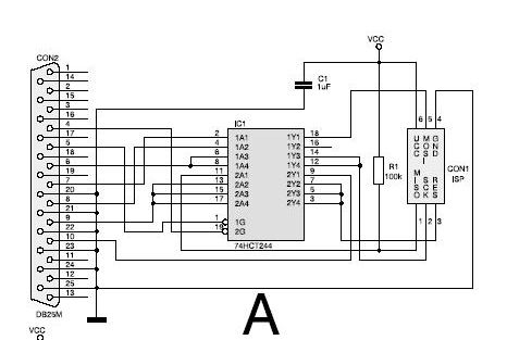
Takie pytanie... czy zamiast wlutować gniazdo w płytkę i potem łączyć kablem nie lepiej i prościej dolutować kabel do płytki a drugi koniec zakończony wtykiem wpiąć w komp?
Czy połączenia pinów w kablu odpowiadają sobie? Tzn. 1-1, 2-2, 3-3... czy może kabel jest krosowany?

...napisałem o takim rozwiązaniu bo mam kabel LPT z jednym wtykiem.. :lol:
Załączniki
programator.jpg

czarutek

Postautor: czarutek » 9 paź 2005, o 14:41

Trudno mówić o skrosowaniu kabla drukarkowego, przecież ma wiele żył i różne złącza. Chyba że masz na myśli przedłużacz... ;)
W każdym razie powinno być 1-1, 2-2... czyli łącz zgodnie z numerkami wtyczki.

marecki
-
-
Posty:390
Rejestracja:4 sie 2005, o 15:48
Lokalizacja:Sandomierz
Kontaktowanie:

Postautor: marecki » 9 paź 2005, o 14:57

... Chyba że masz na myśli przedłużacz... ;)
No dokładnie...bo do tego projektu jest właśnie kabel typu "przedłużka" a chodzi mi o wyeliminowanie gniazdo-wtyk na płytce...

Ps. kabelek ma 1.5m w ekranie... nie za długi jeżeli chodzi o błędy w transmisji?
Załączniki
lpt.jpg

czarutek

Postautor: czarutek » 9 paź 2005, o 15:45

Moim zdaniem za długi, będą już niezłe szpilki widziane przez 74LS244... :(
Procka może nie zmylą, ale dla pewności poblokowałbym wejścia 74LS244 1n do masy.
P.S. Nie pomyl wtyczek damsko-męskich... :mrgreen:

Awatar użytkownika
ACeK
-
-
Posty:1522
Rejestracja:30 mar 2003, o 19:35
Lokalizacja:Kielce

Postautor: ACeK » 9 paź 2005, o 23:14

:) w na Twoim schemacie brakuje Ci pary zworek miedzy pinami drukarki zrob je bo czasem mozesz miec :no: mile niespodzianki :wink:
:D

Kod: Zaznacz cały

pin pin 2 12 3 11
:arrow: prog
:arrow: prog inny scalak zworki sa :idea:

marecki
-
-
Posty:390
Rejestracja:4 sie 2005, o 15:48
Lokalizacja:Sandomierz
Kontaktowanie:

Postautor: marecki » 10 paź 2005, o 05:02

Ok... ale ja bazowałem m.in. AVT 871 a tam też ich nie ma.... luknij... :)
Załączniki
programatorAVR.rar
(416.07KiB)Pobrany 336 razy
progr2.jpg

Awatar użytkownika
ACeK
-
-
Posty:1522
Rejestracja:30 mar 2003, o 19:35
Lokalizacja:Kielce

Postautor: ACeK » 10 paź 2005, o 06:40

:) looknij to :arrow: z doswiadczenia innych :idea:
:arrow: co nie co o AVT 871 a jesli to Cie nie przekonuje to ich nie rob w koncu w artykule Ep ich nie ma :wink:
:D

BTW moj kabel ma 2 metry i jest ok :idea:

marecki
-
-
Posty:390
Rejestracja:4 sie 2005, o 15:48
Lokalizacja:Sandomierz
Kontaktowanie:

Postautor: marecki » 10 paź 2005, o 16:58

OK... zaufam bardziej doświadczonym.... ale pójdę na kompromis... :lol:

załącznik MADE by Press :607:
Załączniki
programator.JPG

Wróć do „Elektronika - tematy dowolne”

Kto jest online

Użytkownicy przeglądający to forum: Obecnie na forum nie ma żadnego zarejestrowanego użytkownika i 9 gości