 
Aktyw Forum
Zarejestruj się na forum.ep.com.pl i zgłoś swój akces do Aktywu Forum. Jeśli jesteś już zarejestrowany wystarczy, że się zalogujesz.
Sprawdź punkty Zarejestruj sięvga->TV
Moderatorzy:Jacek Bogusz, Moderatorzy
- dsrecordss
- - 
- Posty:300
- Rejestracja:30 lip 2004, o 16:08
- Lokalizacja:Żory
- Kontaktowanie:
Witam,
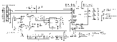
poszukuję schematu przetwornika ,który przetwarza synał z vga na TV.
znalazłem cos ale na dosyć egzotycznym jak dla mnie układzie AD772.
w pobliżu mojego domu tzn w Żorach takowego nie ma a rzecz z tym układem jest pilna.
bardzo prosze o pomoc
dziekuje z góry
dsrecordss
				
			poszukuję schematu przetwornika ,który przetwarza synał z vga na TV.
znalazłem cos ale na dosyć egzotycznym jak dla mnie układzie AD772.
w pobliżu mojego domu tzn w Żorach takowego nie ma a rzecz z tym układem jest pilna.
bardzo prosze o pomoc
dziekuje z góry
dsrecordss
- dsrecordss
- - 
- Posty:300
- Rejestracja:30 lip 2004, o 16:08
- Lokalizacja:Żory
- Kontaktowanie:
no cóż;
mój telewizor jest bardzo stary i nie posiada interface'u euroscart
i mam tylko wejscie w wideo na chinch i dlatego na wyjsciu układu misi być chinch.
pozdrawiam
dsrecordss
[ Dodano: 04-12-2004, 21:56 ]
a czy nie możnaby było połączyć jakoś tych sygnałów R,G i B??
moze spróbóję je skręcić razem....
			mój telewizor jest bardzo stary i nie posiada interface'u euroscart
i mam tylko wejscie w wideo na chinch i dlatego na wyjsciu układu misi być chinch.
pozdrawiam
dsrecordss
[ Dodano: 04-12-2004, 21:56 ]
a czy nie możnaby było połączyć jakoś tych sygnałów R,G i B??
moze spróbóję je skręcić razem....
Zaden problem.
Kupisz w kazdym sklepie RTV przejsciowke Euro -> cinch.
Mozesz nawet ja sam zmontowac, poszukaj tylko na www.google.pl schematu...
			Kupisz w kazdym sklepie RTV przejsciowke Euro -> cinch.
Mozesz nawet ja sam zmontowac, poszukaj tylko na www.google.pl schematu...
- dsrecordss
- - 
- Posty:300
- Rejestracja:30 lip 2004, o 16:08
- Lokalizacja:Żory
- Kontaktowanie:
Posłuchajcie ten schemat LucASWw`a zadziała z każdym telewizorem ze złączem euro bo, coś mi tak za łatwo to wygląda i te złącza takie w ogóle dziwne  Mnie również by interesowało takie coś. A tak na marginesie, czy można podłączyć monitor i TV do jednego wyjścia karty graficznej? TV przez te wszystkie układy modyfikujące a monitor poprostu równlegle, czy raczej to niemożliwe??
 Mnie również by interesowało takie coś. A tak na marginesie, czy można podłączyć monitor i TV do jednego wyjścia karty graficznej? TV przez te wszystkie układy modyfikujące a monitor poprostu równlegle, czy raczej to niemożliwe??
			 Mnie również by interesowało takie coś. A tak na marginesie, czy można podłączyć monitor i TV do jednego wyjścia karty graficznej? TV przez te wszystkie układy modyfikujące a monitor poprostu równlegle, czy raczej to niemożliwe??
 Mnie również by interesowało takie coś. A tak na marginesie, czy można podłączyć monitor i TV do jednego wyjścia karty graficznej? TV przez te wszystkie układy modyfikujące a monitor poprostu równlegle, czy raczej to niemożliwe??Bo nic nie ma trudnego, aby podłączyć wyjście VGA VESA do Euroscart, tylko VGA ma oddzielnie SH i SV, a Euroscart ma razem. Możliwe jest, że jeszcze trzeba coś dorobić, aby to funkcjonowało z nowymi kartami graficznymi, jednakże jest mało prawdopodobne, aby nie działało. Jak zaczynałem przygodę z elektroniką, to budowałem prawie każdy układ z tej gazety i jakoś każdy działał.coś mi tak za łatwo to wygląda
Można tylko potrzebny jest układ symetryzujący, ponieważ wyjście wideo jest dopasowane falowo na 75Ohm i dołączenie jeszcze jednego odbiornika spowodowało by zmniejszenie impedancji charakterystycznej obwodu na ~37,5Ohm, a tym samym niemożliwość w przesyle sygnałów video.czy można podłączyć monitor i TV do jednego wyjścia karty graficznej?
- 
				Connor MacLeod
- - 
- Posty:4
- Rejestracja:11 gru 2004, o 20:30
- Lokalizacja:Świdwin
- 
				Connor MacLeod
- - 
- Posty:4
- Rejestracja:11 gru 2004, o 20:30
- Lokalizacja:Świdwin
Kto jest online
Użytkownicy przeglądający to forum: Obecnie na forum nie ma żadnego zarejestrowanego użytkownika i 59 gości

 znalazłem taki układzik:
 znalazłem taki układzik:
