Aktyw Forum
Zarejestruj się na forum.ep.com.pl i zgłoś swój akces do Aktywu Forum. Jeśli jesteś już zarejestrowany wystarczy, że się zalogujesz.
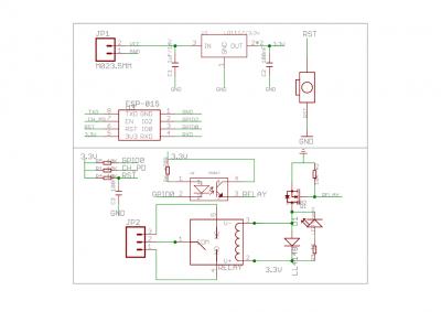
Sprawdź punkty Zarejestruj sięESP8266 daje na GPIO0 sygnał LOW przy uruchomieniu.
Moderatorzy:Jacek Bogusz, Moderatorzy
Hej, kupiłem gotowy układ przekaźnika made in china pracujący z ESP8266 , problem polega na tym ze przy uruchomieniu ESP8266 na wyjściu GPIO0 ustawia na jakiś ułamek sekundy LOW, niezależnie od konfiguracji softwarowej GPIO, co powoduje załączenie na chwile przekaźnika, to jest spory problem bo chciałem sterować bramą na działce za pomocą tego układu, jeśli będzie działać on w ten sposób to po każdym zaniku prądu brama mi się sama otworzy
Będę wdzięczny za pomysły jak sobie z tym poradzić.
Kto jest online
Użytkownicy przeglądający to forum: Obecnie na forum nie ma żadnego zarejestrowanego użytkownika i 64 gości
