Aktyw Forum
Zarejestruj się na forum.ep.com.pl i zgłoś swój akces do Aktywu Forum. Jeśli jesteś już zarejestrowany wystarczy, że się zalogujesz.
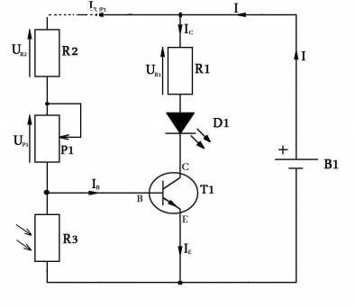
Sprawdź punkty Zarejestruj sięProszę o wyjaśnienie tego schematu
Moderatorzy:Jacek Bogusz, Moderatorzy
Jest to prosty schemat wyłącznika zmierzchowego na tranzystorze NPN BC548B. Poprosiłbym o sprostowanie jeśli źle rozumiem jego działanie. Powiem tylko że potencjometr jest skręcony na maksa w lewą stronę, czyli jego rezystancja wynosi 0. Jest bo jest. Fotorezystor jest zakresu 10 k oHm do 1 M Ohm. Ja rozumiem to tak: Prąd wypływa ze źródła zasilania B, dociera do węzła i tu dzieli się na prąd Ic płynący przez R1, diodę LED D1 do kolektora tranzystora oraz na prąd IR2P1, płynący przez rezystor R2 i potencjometr P1. Tu dochodzi do kolejnego węzła i dzieli się na prąd Ib płynący na bazę tranzystora oraz na prąd przepływający przez fotorezystor. Przy włączonym oświetleniu rezystancja fotorezystora R3 wynosi ok 10 k ohm, czyli stosunkowo mało w porównaniu z jego rezystancją przy wyłączonym świetle (ok 1 M ohm). Przy włączonym świetle tranzystor jest zatkany i nie przewodzi, dioda LED nie świeci. Nie do końca wiem czemu. Owszem tak powinno być, pytanie czemu przy włączonym świetle tranzystor nie przewodzi? Przecież prąd dochodząc do węzła za potencjometrem P1 rozdziela się i na bazę tranzystora i na fotorezystor R3. Przy wyłączonym świetle rezystancja fotorezystora jest diametralnie wyższa, więc prąd nie płynie przez niego tylko na bazę, przez co przez złącze CE płynie prąd i dioda świeci. ALe przecież przy włączonym świetle też prąd płynie przez R3 i bazę? () Albo płynie przez bazę tak mały prąd że tranzystor nie reaguje? Czy dobrze to rozumiem?
- Załączniki
-
- schemat_skalowacz_pl.jpg (11.87KiB)Przejrzano 6053 razy
- Jacek Bogusz
- -

- Posty:470
- Rejestracja:12 maja 2010, o 17:37
- Lokalizacja:Poznań
- Kontaktowanie:
Re: Proszę o wyjaśnienie tego schematu
Tranzystor będzie przewodził, jeśli napięcie na jego bazie będzie wyższe lub równe około 0,7V.
Zwykle jest odwrotnie, niż opisujesz - to znaczy, rezystancja fotorezystora maleje ze wzrostem natężenia oświetlenia (ponieważ wzrasta ruchliwość nośników energii). A więc z grubsza - przy stałej rezystancji P1+R2 spadek napięcia na R3 (na fotorezystorze) jest tym mniejszy, im mocniejsze światło. Jeśli napięcie na R3 spadnie poniżej ok. 0,7V, to tranzystor zostanie zatkany i dioda przestanie świecić. W ciemności wzrośnie rezystancja R3, a tym samym i odkładający się na nim spadek napięcia - jeśli przekroczy on ok. 0,7V tranzystor zacznie przewodzić, a dioda będzie świeciła. To tak w dużym uproszczeniu, bez "węzłów" i "rozpływów"
.
Zwykle jest odwrotnie, niż opisujesz - to znaczy, rezystancja fotorezystora maleje ze wzrostem natężenia oświetlenia (ponieważ wzrasta ruchliwość nośników energii). A więc z grubsza - przy stałej rezystancji P1+R2 spadek napięcia na R3 (na fotorezystorze) jest tym mniejszy, im mocniejsze światło. Jeśli napięcie na R3 spadnie poniżej ok. 0,7V, to tranzystor zostanie zatkany i dioda przestanie świecić. W ciemności wzrośnie rezystancja R3, a tym samym i odkładający się na nim spadek napięcia - jeśli przekroczy on ok. 0,7V tranzystor zacznie przewodzić, a dioda będzie świeciła. To tak w dużym uproszczeniu, bez "węzłów" i "rozpływów"
Re: Proszę o wyjaśnienie tego schematu
Należałoby dodać, że moment włączenia/wyłączenia, będzie w tym układzie dość niestabilny.
P.S.
Cześć Jacek
.
P.S.
Cześć Jacek
- Jacek Bogusz
- -

- Posty:470
- Rejestracja:12 maja 2010, o 17:37
- Lokalizacja:Poznań
- Kontaktowanie:
Re: Proszę o wyjaśnienie tego schematu
A cześć!
Nie tylko moment włączenie/wyłączenia będzie niestabilny - mogą jeszcze wystąpić oscylacje, dlatego schemat jest trochę "nieszczęśliwy", ale jak pytają... 
Kto jest online
Użytkownicy przeglądający to forum: Obecnie na forum nie ma żadnego zarejestrowanego użytkownika i 22 gości

