Witam
Wiem że pytanie może błahe, ale gdzieś widziałem taką baterię jako układ podtrzymujący pamięć z tym że tam było coś o ładowaniu tej baterii. Od kilku dni męczy mnie zatem pytanie czy bateria litowa to po prostu bateria, czy raczej nowy typ akumulatorka który można ładować?
Mylące są też napisy np. bateria litowa 3.6V, a takie napięcie mają przecież Li-ion'y starszego typu, więc może to akumulator...? chociaż nazwali to baterią... chyba się zakręciłem, ktoś mi to wyprostuje?
Aktyw Forum
Zarejestruj się na forum.ep.com.pl i zgłoś swój akces do Aktywu Forum. Jeśli jesteś już zarejestrowany wystarczy, że się zalogujesz.
Sprawdź punkty Zarejestruj sięCo to jest Bateria litowa?
Moderatorzy:Jacek Bogusz, Moderatorzy
Re: Co to jest Bateria litowa?
Btw Kiedys mialem zrobiony uklad (z Re) do ladowania bateri od zegarkow. Polegalo to na ladowaniu i rozladowaniu jednoczesnie baterii.
Re: Co to jest Bateria litowa?
Dość dawno widziałem gdzieś artykuł w którym przedstawiano takie właśnie ogniwa z typowego szeregu (baterie) do ładowania. Z tego co pamiętam, ładować je można było raz. Wydaje mi się, że ten "patent" nie przyjął się ze względu na nieproporcjonalny koszt takich ogniw w stosunku do dwóch kompletów baterii, czy nawet akumulatorów (na dłuższą metę akumulatory zawsze są bardziej opłacalne).
Re: Co to jest Bateria litowa?
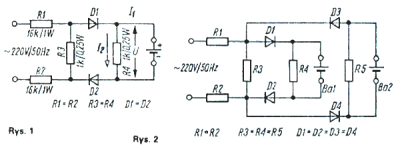
- Załączniki
-
- pdf.pdf
- Zasilacz do regeneracji miniaturowych ogniw Re 3'84
- (612.6KiB)Pobrany 216 razy
Re: Co to jest Bateria litowa?
Dzięki ACeK za pdf. Myślałem kiedyś na tym, ale ładowanie przez 120h jest nie opłacalne, bo jak już wspomniał MatyAS taniej wychodzą baterie alkaiczne lub aku na dłuższą metę.
Dzięki za pomoc wszystkim. Pozdro
Dzięki za pomoc wszystkim. Pozdro
Re: Co to jest Bateria litowa?
Taką baterię masz w swoim kompie, podtrzymuje ona ustawienia biosu na płycie głównej,
stosuje się ją w elementach, gdzie jest wymagana długa żywotność.
stosuje się ją w elementach, gdzie jest wymagana długa żywotność.
-
000andrzej
- -

- Posty:375
- Rejestracja:13 sie 2003, o 14:03
- Lokalizacja:Kraków
Re: Co to jest Bateria litowa?
A jakie było pytanie? Przeczytaj pierwszy post.tak trudno trochę poszukać w internecie ?
Re: Co to jest Bateria litowa?
Nie ma się co spinać Zuzia 
Kto jest online
Użytkownicy przeglądający to forum: Obecnie na forum nie ma żadnego zarejestrowanego użytkownika i 0 gości

