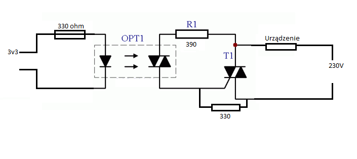
Witam, chciałbym zapytać czy układ według którego zbudowałem sterowanie siecią 230v jest poprawny.
Dodam, że na diodzie w MOC jest napięcie 1,2V. Triak to BTA08. Które miejsca powinienem zmierzyć aby znaleźć przyczynę usterki?
Aktyw Forum
Zarejestruj się na forum.ep.com.pl i zgłoś swój akces do Aktywu Forum. Jeśli jesteś już zarejestrowany wystarczy, że się zalogujesz.
Sprawdź punkty Zarejestruj sięMOC3041 - układ nie chce ruszyć
Moderatorzy:Jacek Bogusz, Moderatorzy
Re: MOC3041 - układ nie chce ruszyć
W
Kto jest online
Użytkownicy przeglądający to forum: Obecnie na forum nie ma żadnego zarejestrowanego użytkownika i 32 gości

